[BRICOX] Potito potito el ordenadorcito! (MID Astra en Cali)

[BRICOX], [INFOX], [DOCUX] seleccionados por la administracion.

Moderadores: Alan78, Tropic, Operadores, Moderadores

Responder
Avatar de Usuario
Tropic
Site Admin
Mensajes: 27526
Registrado: Sab, 20 Dic 2003, 00:17
Ubicación: Vitoria
Contactar:

[BRICOX] Potito potito el ordenadorcito! (MID Astra en Cali)

Mensaje por Tropic »

Prologo: Montaje de MID Astra F GSI (Multi Info Display) en Calibra

Por fin!! Es el ordenador de un Astra GSI 8v que gentilmente me ha conseguido Carlos!! Gracias, mil gracias!! :wink: Por aquí me cuueesssta telita encontrar piezas así... :P

Hay que hacer algunos apaños para adaptarlo, conseguir el pinout del bichito, tirar algun que otro cable, etc... Pero nada insalvable para letrónicos intrepidos :cuñao: Esta cosita lleva el check control integrado, tipo "Nivel de aceite bajo" en pantalla ;) lo que me vendrá muy bien para no comerme la cabeza al montar el cuadro digital del kadett ;) (que no lleva check)

Esto para más adelante, cuando termine con la electrónica motor, que aun me queda un rato :cuñao:

Mientras, se aceptan ideotas de montaje: Donde lo colocaríais? Aparte del consabido hueco DIN bajo la radio :) Estaba pensando cepillarme los aireadores centrales, no los uso... :roll:





[BRICOX] Montaje de MID Astra F GSI (Multi Info Display) en Calibra


Componentes necesarios:


:arrow: Varios kinkis con ganas de pasar un buen rato :cuñao: aquí va mi agradecimiento a Einar, Cristian, y Rallye, que me echaron "un cable" a montar este tingladillo :D Gracias chicos!! ;)

:arrow: Ordenador de a bordo Astra F GSI 8v C20NE (Los GT no llevan MID)
:arrow: Los conectores traseros con una longitud de cable decente (cuanto mas largos, mejor)
:arrow: Maneta de limpias con botones SET y RESET (Del mismo Astra del que cogemos el MID, por ejemplo ;) )

DSC02658 (Custom).JPG
DSC02660 (Custom).JPG
DSC02659 (Custom).JPG
DSC02663 (Custom).JPG
DSC02661 (Custom).JPG
:arrow: Mangueras de cables, necesitamos unos 30 hilos. De un par de metros de largo. (sobrará un poco, pero trabajaremos mas holgados)
:arrow: Conectores "Scotchlock", unos 30. Siempre se estropea alguno, así que mejor comprar de más.

Scotchlock.jpg
Scotchlock.jpg (2.77 KiB) Visto 31523 veces
:arrow: Alicates, tijeras, tubo termoretractil, un polímetro, esquemas del Check control del Calibra y del Astra, del MID. (Todo esto facilita la labor)

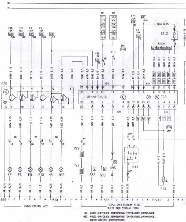
Astra MID:
AstraMID.jpg
Check Calibra - Vectra:
Diagrama check Vectra-Calibra.jpg
Relación de pines (pinout) del MID y destino de conexión:

:arrow: Conviene imprimirse esta tabla y tenerla a mano, junto a los esquemas, para resolver cualquier incidencia rapidamente.
Conexionado X20.jpg
Conexionado X20.jpg (93.17 KiB) Visto 31523 veces
Conexionado X19.jpg
Conexionado X19.jpg (50.52 KiB) Visto 31523 veces
Preparación cableado:

:arrow: Cogemos ambos conectores del MID y soldamos a cada uno de los cables que quedan, un hilo de una manguera de cable. El grosor de los cables debe ser similar, cuidando que el revestimiento no sea ni muy gordo ni muy enclenque (para que los Scotchlocks luego agarren y muerda bien el cable)

Nota: Podemos prescindir del cableado de los pines de radio si no tenemos la radio de serie. Si la tuviéramos, habría que llevar los cables hasta el conector ISO de la radio (consultar esquema de la radio en cuestión)

DSC02666 (Custom).JPG
DSC02667 (Custom).JPG
DSC02668 (Custom).JPG
DSC02669 (Custom).JPG

Conexionado en el coche:

:arrow: Con la guantera desmontada por completo, y el ordenador de a bordo fuera, sacamos por el hueco de la guantera el conector amarillo del ordenador de a bordo (BC) y del reloj analógico, y los conectores del Check Control (CC). Todas las conexiones se realizan a estos conectores. Tener a mano el dibujo con el pinout de cada conector ayuda mucho!! 8) (diagramas un poco mas abajo :cuñao:)
DSC02670 (Custom).JPG
DSC02671 (Custom).JPG
DSC02677 (Custom).JPG
BC: Tiene un conector amarillo, más que conocido ;)

Reloj Analógico: Uno cuadradito, con un cable gris verde, al lado del amarillo.

MID: Tiene dos conectores, X19 (negro, pequeño) X20 (azul, similar al del BC)

X19.jpg
X19.jpg (9.96 KiB) Visto 31523 veces
X20.jpg
X20.jpg (23.5 KiB) Visto 31523 veces
Conectores CC: El Check tiene 2 conectores: X19 (negro, pines serigrafiados sobre el mismo conector) y X20 (azul, clavado al del MID del Astra)
X19 y X20 CC.jpg
X19 y X20 CC.jpg (26.75 KiB) Visto 31523 veces
Y ahora viene cuando la matan :cuñao:

Guiándonos por la tabla de pines y colores, y los diagramas de los conectores, con mimo, tacto, y comprobando dos veces cada conexión con el polímetro, cogemos un pin/cable del MID, comprobamos en la tabla su color y "destino", y con un scotchlock lo grapamos al cable indicado. De nuevo comprobamos conexión mediante polímetro para comprobar que realmente del pin X del MID llega al pin J del destino indicado en la tabla. Ojo, que hay colores duplicados (leed mas abajo...)


Y ahora lavar, aclarar y repetir... :lol: :lol: :lol:

Foto de una parte de la instalación, no contractual, tu instalación puede quedar aun peor!! :jaja:
DSC02675 (Custom).JPG
Maneta de limpias con botones Set y Reset:

:arrow: Desde aquí controlaremos las funciones de nuestro MID. Se desmontan las carcasas de plástico tras el volante y el marco de plástico debajo del marcador. Quitamos maneta y ponemos la nueva. Llevamos los dos pines de los botones indicados en la tabla hasta ahí, el cable marrón de la maneta es masa, la sacamos del cableado de maneta existente, comprobando con el polímetro.
DSC02678 (Custom).JPG
Remates y notas de ayuda:

:arrow: Check vs MID: El MID controla directamente los sensores de nivel y desgaste (pastillas freno, nivel aceite, refrigerante y limpias) pero necesita del CC para el check de luces (freno, cortas y posicion traseras)

:arrow: Bombillas en marcador: Es necesario desconectar el conector X23 que va al cuadro hacia las bombillas de check, si no, el MID no funcionará. Es decir, no podemos tener a la vez las bombillas de check del cuadro y el MID indicándonos los fallos.

:arrow: Señales de nivel: Probablemente todo funcione mejor si le quitamos a la unidad de check las señales que ya no va a controlar (niveles de aceite, refrigerante y limpias, y desgaste de pastillas de freno) y que unicamente el MID reciba dichas señales. En este montaje no se le han quitado dichas señales y funcionaba bien... pero bueno, aquí queda reflejado el briconsejo létrico :cuñao:

:arrow: Cables con colores duplicados en algunos conectores: Sí señores, algunos colores están duplicados, que mala leche eh? :cuñao: Asi que habrá que tirar de polímetro para identificarlos. Nada mas fácil que colocar el polímetro para medir continuidad, colocar un borne en el pin a localizar, y con la otra punta pinchar el cable del color indicado en la tabla. Que no pita? Prueba el siguiente cable de dicho color :cuñao: Una ayudita: En la instalación de mi Calibra, en el conector X20 del BC, el marron/blanco y marron/rojo de los pines de diagnóstico (y que están duplicados :P) están marcados con pintura negra, ver foto:
DSC02672 (Custom).JPG
:arrow: Ruteo de cables: Conviene desmontar el ordenador, el panel de calefacción un poco, incluso el mueble inferior otro poco, para llevar los cables hasta las maneta, o hasta donde queremos poner el ordenador. Nosotros lo colocamos temporalmente en la bandeja donde irían los relojes del Turbo, empujando la caja del mueble para pasar los cables hacia abajo. Para usarlo como ubicación final, yo agujerearía dicha bandeja al fondo para pasar los conectores y cables.


El MID, montadito y funcionando:
DSC02682 (Custom).JPG
Un vídeo de funcionamiento:

http://www.youtube.com/watch?v=KNSV-BHDouE

Precioso 8)

Funcionamiento y programación:

:arrow: Al pulsar los botones SET y RESET juntos y mantenerlos, obtenemos los códigos del MID, que nos dan una información similar a la misma operación en el BC de serie de nuestros Calibras, idioma, pulsos por km del sender, etc... Con esto sabremos para que motor está preparado el MID, consultando esta tabla de memorias de Astra F:
AstraF_memories.xls
(40 KiB) Descargado 782 veces
:arrow: El ordenador se puede reprogramar en la Opel indicando el código de programa adecuado según el motor, ya que había Astras con C20XE, X20XEV y C20NE. El resto de motores necesitan un programa personalizado (editando la eprom interna) trabajo que realizan en esa página pagando. Tal vez se pudiera leer la eprom y retocarla como los BC de Calibra....

:arrow: Modo programación, los Pines D y G: Si os fijáis en la tabla, hay dos cables que corresponden a los pines D y G del autodiagnóstico. El pin G es el puerto de comunicaciones del sistema ALDL (bueno para el opelscanner :D) El pin D es el pin de diagnostico del ordenador de a bordo. Mediante un cable, puenteamos en el conector del autodiag el pin D con el pin A (masa) y asi entramos en el modo programación del MID.

¿Qué podemos hacer aquí? Recalibrar la autonomía del ordenador.

Una vez en el modo programación, nos movemos con la tecla SET hasta el menú 5 (Diag 5) Aquí, pulsamos la tecla "reloj" en el MID, y aparecerá abajo una referencia de la cantidad de gasolina del depósito. Como el Astra llevaba un deposito de 52l, aumentaremos el número inferior lo más cerca posible de +8 (no se cual es el máximo y aun no lo he hecho) con el boton SET. Tras esto, pulsamos RESET y mantenemos mas de 3 segundos para guardar los cambios. Quitamos el cablecito a masa del pin D y a rodar!!





Esto es lo básico, lo completaré con algún esquema y alguna nota más que estoy puliendo en breve...
Última edición por Tropic el Jue, 10 Ago 2006, 10:31, editado 5 veces en total.
TC026: Find a place, meet your friends, stir, have fun...
[img]kdd2008finbh3.jpg[/img]
Porque nadie sabe, ni imagina, en que punto del mapa volveremos a reunirnos...
TELVM
Master Calibreitor!
Mensajes: 16918
Registrado: Mar, 23 Dic 2003, 01:03
Ubicación: Madrid
Contactar:

Mensaje por TELVM »

Estaba pensando cepillarme los aireadores centrales, no los uso...
Justo ahí irán los relojes de boost y mezcla en La Fiera :wink: .
Imagen
Imagen
"The only true law is that which leads to freedom"
(Jonathan Livingston Seagull)
Avatar de Usuario
Tropic
Site Admin
Mensajes: 27526
Registrado: Sab, 20 Dic 2003, 00:17
Ubicación: Vitoria
Contactar:

Mensaje por Tropic »

TELVM escribió:
Estaba pensando cepillarme los aireadores centrales, no los uso...
Justo ahí irán los relojes de boost y mezcla en La Fiera :wink: .
Pajaaaaroooo :cuñao: ;)
TC026: Find a place, meet your friends, stir, have fun...
[img]kdd2008finbh3.jpg[/img]
Porque nadie sabe, ni imagina, en que punto del mapa volveremos a reunirnos...
Avatar de Usuario
jesucrixto
Calibrero de pro
Mensajes: 2142
Registrado: Dom, 31 Oct 2004, 22:35
Ubicación: Miranda de Ebro
Contactar:

Mensaje por jesucrixto »

Ese ordenador es el toque "moderno" que le falta al cali... Mucha suerte con el montaje; ya nos contarás... briko no?? :wink:
Imagen
Calibra 2.0i 8v 115cv .:C20NE:. VENDIDO :(
Calibra V6 24V 2.5i 170cv .:C25XE:.
¡¡¡Triplicando Válvulas!!!
Avatar de Usuario
Jesus 16v
Master Calibreitor!
Mensajes: 4084
Registrado: Jue, 01 Ene 2004, 12:21
Ubicación: Catalunya
Contactar:

Mensaje por Jesus 16v »

jesucrixto escribió:Ese ordenador es el toque "moderno" que le falta al cali... Mucha suerte con el montaje; ya nos contarás... briko no?? :wink:
Eso eso, aqui la gente pide a gritos un brico de los tuyos Tropic, anda que no tiene que quedar bien eso :shock: si contase con un brico facil de entender, me tiraba de cabeza con el invento 8)
Mi Calibra(Galeria)

Imagen
Rezarle a San Chuck Norris

FORZA FERRARI!!!
Avatar de Usuario
Tropic
Site Admin
Mensajes: 27526
Registrado: Sab, 20 Dic 2003, 00:17
Ubicación: Vitoria
Contactar:

Mensaje por Tropic »

Cali 16v escribió:
jesucrixto escribió:Ese ordenador es el toque "moderno" que le falta al cali... Mucha suerte con el montaje; ya nos contarás... briko no?? :wink:
Eso eso, aqui la gente pide a gritos un brico de los tuyos Tropic, anda que no tiene que quedar bien eso :shock: si contase con un brico facil de entender, me tiraba de cabeza con el invento 8)
Claro que habrá brico, si no menuda ostia hemos hecho, gñññ gññññ :cuñao: Os lo enseño y luego no os digo como hacerlo?? :rofl: :rofl:

@Spanyx: Lo tuyo va antes ;)
TC026: Find a place, meet your friends, stir, have fun...
[img]kdd2008finbh3.jpg[/img]
Porque nadie sabe, ni imagina, en que punto del mapa volveremos a reunirnos...
Avatar de Usuario
Carlos
Master Calibreitor!
Mensajes: 15834
Registrado: Mié, 03 Mar 2004, 02:03
Ubicación: Caput Castellae
Contactar:

Re: Potito potito quedará el ordenadorcito! :D

Mensaje por Carlos »

Tropic escribió:Imagen

Es el ordenador de un Astra GSI 8v que gentilmente me ha conseguido Carlos!! Gracias, mil gracias!! :wink: Por aqui me cuueesssta telita encontrar piezas asi... :P

Hay que hacer algunos apaños para adaptarlo, conseguir el pinout del bichito, tirar algun que otro cable, etc... Pero nada insalvable para letronicos intrepidos :cuñao: Esta cosita lleva el check control integrado, tipo "Nivel de aceite bajo" en pantalla ;) lo que me vendrá muy bien para no comerme la cabeza al montar el cuadro digital del kadett ;) (que no lleva check)

Esto para mas adelante, cuando termine con la electronica motor, que aun me queda un rato :cuñao:

Mientras, se aceptan ideotas de montaje: Donde lo colocariais? Aparte del consabido hueco DIN bajo la radio :) Estaba pensando cepillarme los aireadores centrales, no los uso... :roll:
De nada Maese, ha sido un placer poder ayudarle. :wink:
El cableado por lo que vi tiene muchas similitudes con el cableado del ordenador calibrero.
Calibra 2.0i 115cv C20NE año 92 recycled
Avatar de Usuario
Alumnoeuiti_SS
Master Calibreitor!
Mensajes: 7396
Registrado: Mié, 21 Ene 2004, 23:12
Ubicación: DONOSTIA San Sebastian

Mensaje por Alumnoeuiti_SS »

Yo aspiro a conseguir un ordenador de estos algun dia, pero lo pondre en el cenicero, adios cenicero. Ventajas de ser no fumador y no dejar q fumen en el coche.

Un cordial saludo.
Becoming Hard, Real Hard, Real - Fucking - Hard.
Avatar de Usuario
Tropic
Site Admin
Mensajes: 27526
Registrado: Sab, 20 Dic 2003, 00:17
Ubicación: Vitoria
Contactar:

Mensaje por Tropic »

Alumnoeuiti_SS escribió:Yo aspiro a conseguir un ordenador de estos algun dia, pero lo pondre en el cenicero, adios cenicero. Ventajas de ser no fumador y no dejar q fumen en el coche.

Un cordial saludo.
Mmmm... voy a pensar en alto... por el tipo de lcd que se gasta el ordenata, pudiera ser que no se viera bien, o nada en absoluto. Los lcd tienen un angulo de vision concreto, y fijandonos donde va montado en el Astra, me da que el angulo va a ser reducido... :P

Ya haria unas pruebas para que lo supieras de antemano, para mi lo descarto, me parece alejar demasiado la vista mirar ahi abajo....
TC026: Find a place, meet your friends, stir, have fun...
[img]kdd2008finbh3.jpg[/img]
Porque nadie sabe, ni imagina, en que punto del mapa volveremos a reunirnos...
Avatar de Usuario
Alumnoeuiti_SS
Master Calibreitor!
Mensajes: 7396
Registrado: Mié, 21 Ene 2004, 23:12
Ubicación: DONOSTIA San Sebastian

Mensaje por Alumnoeuiti_SS »

Pues igual si es demasiado poco angulo... como no se vea nada lo acabare poniendo en el parasol... y en el cenicero una hawaiiana de esas q se menean como los perros de la bandeja menean la cabeza.

un cordial saludo.
Becoming Hard, Real Hard, Real - Fucking - Hard.
Avatar de Usuario
jesucrixto
Calibrero de pro
Mensajes: 2142
Registrado: Dom, 31 Oct 2004, 22:35
Ubicación: Miranda de Ebro
Contactar:

Mensaje por jesucrixto »

Lo equivalente del Astra en el cali (hablando del ángulo de visión) sería el cuadro de mandos del aire ¿No es asi?.

Poniendolo en el cenicero; con la pantalla hacia arriba no creo que hubiese ningún problema de vision no?
Imagen
Calibra 2.0i 8v 115cv .:C20NE:. VENDIDO :(
Calibra V6 24V 2.5i 170cv .:C25XE:.
¡¡¡Triplicando Válvulas!!!
Avatar de Usuario
Alumnoeuiti_SS
Master Calibreitor!
Mensajes: 7396
Registrado: Mié, 21 Ene 2004, 23:12
Ubicación: DONOSTIA San Sebastian

Mensaje por Alumnoeuiti_SS »

Con la pantalla hacia arriba no creo q hubiese ningun problema de angulo de vision.

Un cordial saludo.
Becoming Hard, Real Hard, Real - Fucking - Hard.
Avatar de Usuario
Martyn
Calibrero Gold
Mensajes: 959
Registrado: Vie, 29 Oct 2004, 12:38
Ubicación: Valles Oriental (Barcelona)

Mensaje por Martyn »

Una pregunta tonta, el mod ese ke se pone el mando de limpias del oimega
Imagen
ke lleva regulacion de limpias y botoncito pal ordenador, es pa este ordenador o pal tipico del kadett??
me refiero a esto:
http://www.akirwan.freeserve.co.uk/akhow2/omegaw.doc
Kadett E 20SEH en proyecto de digievolucionar a 20 XE supervitaminado.
Avatar de Usuario
Carlos
Master Calibreitor!
Mensajes: 15834
Registrado: Mié, 03 Mar 2004, 02:03
Ubicación: Caput Castellae
Contactar:

Mensaje por Carlos »

¿Como va el tema del cableado algún avance?
Que yo sepa los omegas no llevan en el mando del limpia los pulsadores del ordenador, creo que solo lo llevan los Astras.
Calibra 2.0i 115cv C20NE año 92 recycled
Avatar de Usuario
Alumnoeuiti_SS
Master Calibreitor!
Mensajes: 7396
Registrado: Mié, 21 Ene 2004, 23:12
Ubicación: DONOSTIA San Sebastian

Mensaje por Alumnoeuiti_SS »

Yo diria q si hay una palanca de Omega con botones para ordenador de abordo, lo vi en el manual del coche. Lleva la tipica rueda para la regulacion de la velocidad de barrido de los limpias y dos botones de goma en el extremo de la palanca opuesto al q keda unido al cubre plastico de la direccion.

Un cordial saludo.
Becoming Hard, Real Hard, Real - Fucking - Hard.
Avatar de Usuario
Tropic
Site Admin
Mensajes: 27526
Registrado: Sab, 20 Dic 2003, 00:17
Ubicación: Vitoria
Contactar:

Mensaje por Tropic »

Aun no he mirado nada del cableado del ordenata... :roll:

Tengo una palanca de Astra tb :) y la foto que ha puesto Martyn es la palanca de un Omega. Personalmente no me gusta la ruletilla reguladora, prefiero la temporizacion via rele Golf, mas rapido y sencillo ;)
TC026: Find a place, meet your friends, stir, have fun...
[img]kdd2008finbh3.jpg[/img]
Porque nadie sabe, ni imagina, en que punto del mapa volveremos a reunirnos...
Avatar de Usuario
Jal
Calibrero Gold
Mensajes: 1411
Registrado: Vie, 15 Oct 2004, 18:30
Ubicación: Zaragozá

Mensaje por Jal »

Tropic yo tengo un ordenador y una palankita tb, cuando lo consigas veremos los resultaos e igual te sacas unas pelillas ke nunca vienen mal!!! jijij :santo:

:chondo: :latigo: :chondo:
Imagen

¡¡¡ Marrrdito roedore !!! xD
Avatar de Usuario
Tropic
Site Admin
Mensajes: 27526
Registrado: Sab, 20 Dic 2003, 00:17
Ubicación: Vitoria
Contactar:

Mensaje por Tropic »

:lol: :lol: :lol:

Estoy en ello ;)
TC026: Find a place, meet your friends, stir, have fun...
[img]kdd2008finbh3.jpg[/img]
Porque nadie sabe, ni imagina, en que punto del mapa volveremos a reunirnos...
Avatar de Usuario
Tropic
Site Admin
Mensajes: 27526
Registrado: Sab, 20 Dic 2003, 00:17
Ubicación: Vitoria
Contactar:

Mensaje por Tropic »

Rematado!! 8) Ya hace tiempo que consegui los esquemas del MID del Astra, que fue lo que mas me costó encontrar :P Le he pegado un par de tientos hace unos meses, pero lo de la letronica dura es lo que tiene, hay que estar muy motivado, y con Rocio parada... :P

Hoy he decidido rematar este asunto, y tras una tarde de dejarme los ojos en los esquemas :caguen: pinouts del bicho localizados 8)

En un rato que tenga libre me pongo a cablearlo 8)

Que ganas tenia de darle boleto a este proyecto, rediosla!! :cuñao:
TC026: Find a place, meet your friends, stir, have fun...
[img]kdd2008finbh3.jpg[/img]
Porque nadie sabe, ni imagina, en que punto del mapa volveremos a reunirnos...
Avatar de Usuario
Tropic
Site Admin
Mensajes: 27526
Registrado: Sab, 20 Dic 2003, 00:17
Ubicación: Vitoria
Contactar:

Mensaje por Tropic »

Notas mentales para el diseñador :cuñao:

http://www.eelkevisser.nl/index.html

Imagen
TC026: Find a place, meet your friends, stir, have fun...
[img]kdd2008finbh3.jpg[/img]
Porque nadie sabe, ni imagina, en que punto del mapa volveremos a reunirnos...
Responder