[Bricox] McGivering Megasquirt V3.0 - DIY Rules

[BRICOX], [INFOX], [DOCUX] seleccionados por la administracion.

Moderadores: Alan78, Tropic, Operadores, Moderadores

Responder
TELVM
Master Calibreitor!
Mensajes: 16918
Registrado: Mar, 23 Dic 2003, 01:03
Ubicación: Madrid
Contactar:

Re: [Bricox] McGivering Megasquirt V3.0 - DIY Rules

Mensaje por TELVM »

No estamos solos en el universo Marivs:





Esto SÍ es la fórmula uno :twisted: :



Imagen
Imagen
"The only true law is that which leads to freedom"
(Jonathan Livingston Seagull)
Avatar de Usuario
NeWbIe_SLMNK
Master Calibreitor!
Mensajes: 8578
Registrado: Mar, 30 May 2006, 14:00
Ubicación: Karrosseriebau Nr.3

Re: [Bricox] McGivering Megasquirt V3.0 - DIY Rules

Mensaje por NeWbIe_SLMNK »

JoshuA escribió:
TELVM escribió:Yo patearía el distribuidor, enhebraría una de éstas y ATPC. Suit yourself.

http://qedmotorsport.co.uk/qed-shop/vau ... king-plate
Pero asi nos cepillamos el cam sensor y la inyeccion secuencial, no? :-k
Con esa temome que si.

Cepillarse solo la tapa y rotor del distribuidor y ponerle una tapa de aluminio hecha a medida es lo mas sencillo para "ganar la mitad de espacio" teniendo cam sensor sin necesidad de andar cambiando arboles ni mas movidas.

Andar cambiando arbol/polea esc y meter un sensor del lado distro para simplemente eliminar el cuerpo del distribuidor que no hace daño a nadie me parece bastante caro (toca hacer distro y juntas) y barroco para las ganancias que ofrece (ninguna), eso si, no sere yo quien te pare los pies si estas decidido! :cuñao: Posible es.

@TELVM =P~ =P~ =P~
ImagenImagen
TELVM
Master Calibreitor!
Mensajes: 16918
Registrado: Mar, 23 Dic 2003, 01:03
Ubicación: Madrid
Contactar:

Re: [Bricox] McGivering Megasquirt V3.0 - DIY Rules

Mensaje por TELVM »

Imagen
Imagen
"The only true law is that which leads to freedom"
(Jonathan Livingston Seagull)
TELVM
Master Calibreitor!
Mensajes: 16918
Registrado: Mar, 23 Dic 2003, 01:03
Ubicación: Madrid
Contactar:

Re: [Bricox] McGivering Megasquirt V3.0 - DIY Rules

Mensaje por TELVM »

Imagen
Imagen
"The only true law is that which leads to freedom"
(Jonathan Livingston Seagull)
Avatar de Usuario
JoshuA
Master Calibreitor!
Mensajes: 4357
Registrado: Dom, 12 Dic 2004, 14:12
Ubicación: Pontevedra
Contactar:

Re: [Bricox] McGivering Megasquirt V3.0 - DIY Rules

Mensaje por JoshuA »

NeWbIe_SLMNK escribió:Andar cambiando arbol/polea esc y meter un sensor del lado distro para simplemente eliminar el cuerpo del distribuidor que no hace daño a nadie me parece bastante caro (toca hacer distro y juntas) y barroco para las ganancias que ofrece (ninguna)
Newbie, el late C20XE LN con motronic 2.8 no lleva distribuidor, en su lugar lleva una tapa con un soporte para un sensor del arbol de escape. El arbol del XE 2.8 ya lo vi y es practicamente igual, pero lleva como una chapa atornillada o remachada, que sera la que le marque las vueltas al sensor digo yo. No hay que andar adaptando sensores al lado de la distro (como lo llevan los nescatec) ni parafernalias de esas.

Imagen

Como mucho pillar un arbol ESC de C20XE y plantarlo en su sitio tal cual con la tapa y su sensor, modificar si hace falta el cableado original y listo. Algo mas barroco ya seria coger el arbol del LET original y plantarle la chapa del arbol del XE, asi no variarian los tiempos de apertura, cierre y solape de las valvulas, con una radial, taladro y soplete todo es posible :cuñao:
Calibra Turbo 4x4 1994
Vectra GSI 2000 16v 1992

¿Te gusta conducir?

THE BIG BOYS TEAM MEMBER Nº6
Avatar de Usuario
NeWbIe_SLMNK
Master Calibreitor!
Mensajes: 8578
Registrado: Mar, 30 May 2006, 14:00
Ubicación: Karrosseriebau Nr.3

Re: [Bricox] McGivering Megasquirt V3.0 - DIY Rules

Mensaje por NeWbIe_SLMNK »

JoshuA escribió:Algo mas barroco ya seria coger el arbol del LET original y plantarle la chapa del arbol del XE, asi no variarian los tiempos de apertura, cierre y solape de las valvulas, con una radial, taladro y soplete todo es posible :cuñao:
¿Solo algo mas barroco? :rofl: Claro, quien no tiene en casa una maquina CNC de erosion por arena y un par de cortadoras de plasma :cuñao: El arbol esta muy duro!

Ahora mismo viendo como queda la tapa del M2.8 yo en tu lugar si que no me lo pensaba: Dejaba el cuerpo de distribuidor M2.7 y su sensor sin rotor ni cubierta y le enhebraba la tapa M2.8 adaptada o una casera. El resultado sera esteticamente casi el mismo con la diferencia de que te ahorras 30/40 pavos de junta/retenes mas lo que valga el arbol y el nuevo sensor, y te evitas trabajar con metal templado y la posibilidad de desviarte algunos grados.

¿Parafernalias nescatec? No empecemos simplificando mucho unas cosas y complicando mucho otras :jaja:

PD.- Se me olvidaba que al cambiar arbol tambien te va a tocar rehacer distro... mas pelas aun. :-k Tu veras.
ImagenImagen
TELVM
Master Calibreitor!
Mensajes: 16918
Registrado: Mar, 23 Dic 2003, 01:03
Ubicación: Madrid
Contactar:

Re: [Bricox] McGivering Megasquirt V3.0 - DIY Rules

Mensaje por TELVM »

Otros IGBT aplicables, además del BIP y el Fairchild, probados en combate por megasquirters sin explosiones :cuñao: :



- Intersil HGTP14N40F3VL:


Imagen

http://www.nefo.med.uni-muenchen.de/~hi ... P14N40.pdf

3.66 lereles en este interesante sitio húngaro:

http://shop.vems.hu/catalog/ignition-dr ... 5adfd36d8e




- International Rectifier IRGB14C40LPBF:

Imagen

http://www.irf.com/product-info/datashe ... 40lpbf.pdf

2.72 lereles en digikey España:

http://parts.digikey.es/1/1/528802-igbt ... 0lpbf.html

3.82 aquí:

http://es.farnell.com/international-rec ... erch=true&





Transistor VB921 a la parrilla :cuñao: cortesía de unos dwell settings erróneos:

Imagen

Imagen


Para prevenir eventos similares, aquí hay disipadores y micas TO-220 por media perra:

http://www.digital-sa.com/tienda/advanc ... 20&x=0&y=0

Imagen Imagen
Imagen
Imagen
"The only true law is that which leads to freedom"
(Jonathan Livingston Seagull)
TELVM
Master Calibreitor!
Mensajes: 16918
Registrado: Mar, 23 Dic 2003, 01:03
Ubicación: Madrid
Contactar:

Re: [Bricox] McGivering Megasquirt V3.0 - DIY Rules

Mensaje por TELVM »

Tres IGBTs Fairchild ISL9V5036P3 hospedados en una carcasa Moronic destripada:

Imagen

Ha juntado los tres pines de estribor y los ha llevado a masa en el metal carcasa (con un fusible de 20A para proteger la MS, por si las flies).

http://diyefi.co.uk/Fairchild_ISL9V5036 ... ion_Driver
Imagen
Imagen
"The only true law is that which leads to freedom"
(Jonathan Livingston Seagull)
TELVM
Master Calibreitor!
Mensajes: 16918
Registrado: Mar, 23 Dic 2003, 01:03
Ubicación: Madrid
Contactar:

Re: [Bricox] McGivering Megasquirt V3.0 - DIY Rules

Mensaje por TELVM »

Behold Teddy the Megasquirter :lol: :

Imagen

Imagen
Imagen
Imagen
"The only true law is that which leads to freedom"
(Jonathan Livingston Seagull)
Avatar de Usuario
Alan78
Master Calibreitor!
Mensajes: 17196
Registrado: Jue, 05 Ago 2004, 18:12
Ubicación: Salvaterra/Ponteareas
Contactar:

Re: [Bricox] McGivering Megasquirt V3.0 - DIY Rules

Mensaje por Alan78 »

TELVM escribió:
Para prevenir eventos similares, aquí hay disipadores y micas TO-220 por media perra:


http://www.digital-sa.com/tienda/advanc ... 20&x=0&y=0

Imagen Imagen
Aiiiiiiii, que guarrada de disipador #-o. Hace poco buscando uno para el transistor que gobierna los displays de la JAW me querian despachar uno de esos en una tienda electronica y... djudju djudju, no me molaron nada (y eso que tenian precio cojonudo). Si tienes una fuente de alimentacion de PC quemada por casa, destripala, seguro que sacas disipadores mucho mas guapos a low cost, yo por lo menos asi lo hice :wink:
Imagen

- Calibra C20NE - 124 digievolucionado 1600 - Calibra C20LET - Tigra X14XE

Fe en Dios e ghas a fondo :twisted:
TELVM
Master Calibreitor!
Mensajes: 16918
Registrado: Mar, 23 Dic 2003, 01:03
Ubicación: Madrid
Contactar:

Re: [Bricox] McGivering Megasquirt V3.0 - DIY Rules

Mensaje por TELVM »

TELVM escribió:Ese transistor es el Fairchild ISL9V5036P3, aviation-grade patanegra, en algunos aspectos mejor que el Bosch.
"... V5036P - nosotros utilizamos ese en nuestros sistemas. En realidad son super duros. En una ocasión conectamos algo mál en una instalación porque los cables de la instalación tenían un color bien similar y el resultado fue que se calentó el V5036P brutalmente, la Mega no tenía la carcasa puesta así que se desoldó de la placa solíto por temperatura, cayó al piso del carro, derritió la alfombra y luego que se enfrío lo soldamos nuevamente a la placa y sirvió jajaja :chondo: ... ni un VB921 ni un BIP soportarían tal castigo y seguirían vivos! ..."

http://www.megacentral.com.ar/foro/post ... 42.45.html
IGBT Fairchild ISL9V5036P3 001.jpg
IGBT Fairchild ISL9V5036P3 001.jpg (6.9 KiB) Visto 8257 veces

Esta dureza de alcoyano significa que la bobina o la MS explotarán antes que el Fairchild :cuñao: , así que es tácticamente interesante enhebrar un fusible 20A entre bobina e IGBT, o entre IGBT y masa, por si un dwell inapropiado hiciera dar coces a la bobina.
Imagen
Imagen
Imagen
"The only true law is that which leads to freedom"
(Jonathan Livingston Seagull)
TELVM
Master Calibreitor!
Mensajes: 16918
Registrado: Mar, 23 Dic 2003, 01:03
Ubicación: Madrid
Contactar:

Re: [Bricox] McGivering Megasquirt V3.0 - DIY Rules

Mensaje por TELVM »

Otra alternativa de encendido, cambiar directamente a GM DIS usando un módulo de encendido Bosch 0 227 100 200 (o sucedáneo posmoderno):
Ignition Module DIS-4 Bosch 0 227 100 200 002.jpg
Ignition Module DIS-4 Bosch 0 227 100 200 003.jpg
Ignition Module DIS-4 Bosch 0 227 100 200 007.jpg
Ignition Module DIS-4 Bosch 0 227 100 200 005.jpg
Ignition Module DIS-4 Bosch 0 227 100 200 005.jpg (11.45 KiB) Visto 8244 veces
1 Coil Negative [ Channel One ]
2 Switching Input [ Channel One ]
3 Not Used
4 Power Transistor Ground
5 Not Used
6 Coil Negative [ Channel Two ]
7 Switching Input [ Channel Two ]



Este módulo tiene la ventaja de que no necesita señal cam sensor (inexistente en Neanderthales), y rula recibiendo señal directamente de la ECU por dos canales, uno para cada pareja de pucheros (1-4 / 2-3).


Y poniéndolo a gobernar un coil pack DIS-4 GM 90 443 900 // Bosch 0 221 503 001 como el de los Calis C20XE Moronic 2.8, o similar:
Coil Pack GM90443900 C20XE 002.jpg
Canibalizable de estos donantes:

- Astra 1992-1998; Engine code: C20XE, From Engine number 14137013-on

- Calibra 1989-1997; Engine code: C20XE, From Chassis numbers P1000001- on P9000001- on

- Vectra-A 1989-1995; Engine code: C20XE, From Chassis Numbers P100000- on P5000001- on P7000001- on

- Omega B 1994-2003; Engine code: X20SE

- Frontera A 1992-1998; Engine codes X20SE, X22XE, From Chassis Number SV720103-on


Hum hum :-k , me voy a marcar otra expedición punitiva a TheTower.
Imagen
Imagen
"The only true law is that which leads to freedom"
(Jonathan Livingston Seagull)
Avatar de Usuario
NeWbIe_SLMNK
Master Calibreitor!
Mensajes: 8578
Registrado: Mar, 30 May 2006, 14:00
Ubicación: Karrosseriebau Nr.3

Re: [Bricox] McGivering Megasquirt V3.0 - DIY Rules

Mensaje por NeWbIe_SLMNK »

...ya me parecia a mi raro que no "aberronchases" un poco mas el encendido! :badgrin:

Buena caza! :wink:
ImagenImagen
Avatar de Usuario
Carlos
Master Calibreitor!
Mensajes: 15834
Registrado: Mié, 03 Mar 2004, 02:03
Ubicación: Caput Castellae
Contactar:

Re: [Bricox] McGivering Megasquirt V3.0 - DIY Rules

Mensaje por Carlos »

TELVM escribió:
TELVM escribió:Ese transistor es el Fairchild ISL9V5036P3, aviation-grade patanegra, en algunos aspectos mejor que el Bosch.
"... V5036P - nosotros utilizamos ese en nuestros sistemas. En realidad son super duros. En una ocasión conectamos algo mál en una instalación porque los cables de la instalación tenían un color bien similar y el resultado fue que se calentó el V5036P brutalmente, la Mega no tenía la carcasa puesta así que se desoldó de la placa solíto por temperatura, cayó al piso del carro, derritió la alfombra y luego que se enfrío lo soldamos nuevamente a la placa y sirvió jajaja :chondo: ... ni un VB921 ni un BIP soportarían tal castigo y seguirían vivos! ..."
Madre mia :shock: :shock: :shock: , eso si es aguantar y lo demás es tonteria.
Calibra 2.0i 115cv C20NE año 92 recycled
TELVM
Master Calibreitor!
Mensajes: 16918
Registrado: Mar, 23 Dic 2003, 01:03
Ubicación: Madrid
Contactar:

Re: [Bricox] McGivering Megasquirt V3.0 - DIY Rules

Mensaje por TELVM »

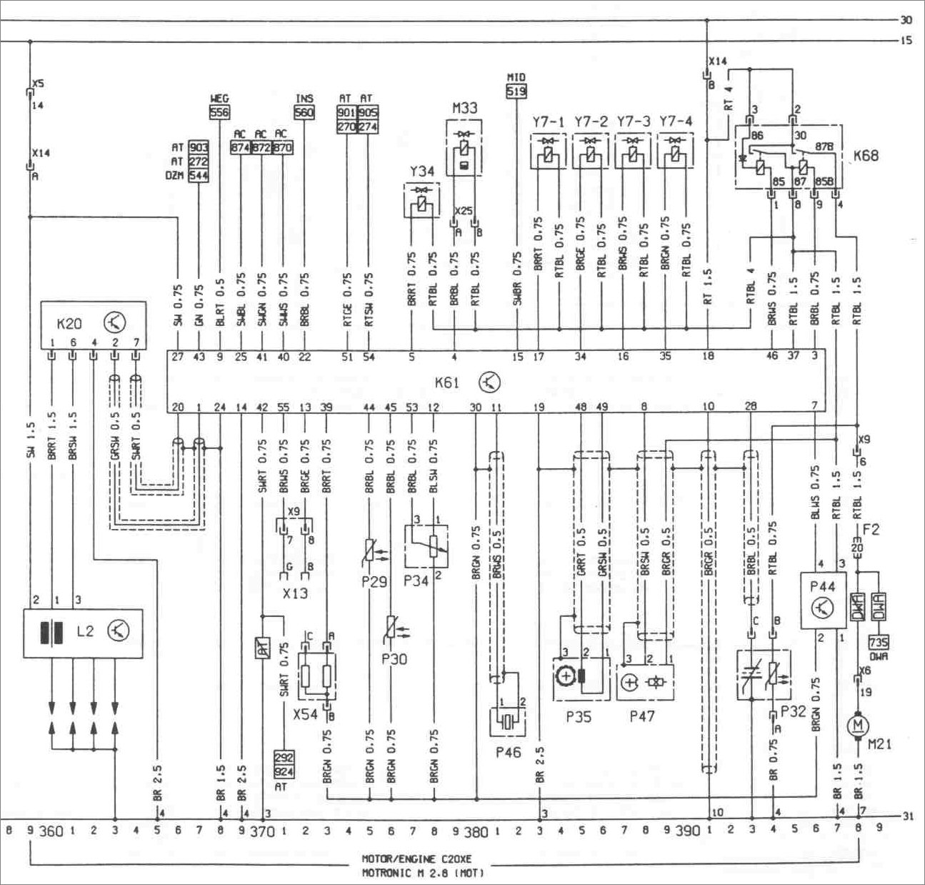
¿Alguien tiene por ahí o sabe link a los esquemas eléctricos de motor de un Cali/Vectra/Astra C20XE Moronic 2.8 con DIS?
Imagen
Imagen
"The only true law is that which leads to freedom"
(Jonathan Livingston Seagull)
MarteDJ
Master Calibreitor!
Mensajes: 6354
Registrado: Mié, 10 Mar 2004, 13:30
Ubicación: Madris
Contactar:

Re: [Bricox] McGivering Megasquirt V3.0 - DIY Rules

Mensaje por MarteDJ »

tengo por ahi un pack de un x14xe por si se pudiera aprobechar
martedj@hotmail.com
Mazda2 petroletas - 1993 Fragoneta de los malacatones
Big Boys Team Member

https://www.youtube.com/channel/UC_dncz ... Tal7aaxTNQ
"Think Outside of The Box" -Motoman
Avatar de Usuario
NeWbIe_SLMNK
Master Calibreitor!
Mensajes: 8578
Registrado: Mar, 30 May 2006, 14:00
Ubicación: Karrosseriebau Nr.3

Re: [Bricox] McGivering Megasquirt V3.0 - DIY Rules

Mensaje por NeWbIe_SLMNK »

TELVM escribió:¿Alguien tiene por ahí o sabe link a los esquemas eléctricos de motor de un Cali/Vectra/Astra C20XE Moronic 2.8 con DIS?
Imagen

Uploaded with ImageShack.us

A52 > Ampli
T1 > Bobina
ImagenImagen
TELVM
Master Calibreitor!
Mensajes: 16918
Registrado: Mar, 23 Dic 2003, 01:03
Ubicación: Madrid
Contactar:

Re: [Bricox] McGivering Megasquirt V3.0 - DIY Rules

Mensaje por TELVM »

Muuuuchas gracias Maese Newbie :pulgar: , quería saber el pinout de la bobina DIS-4 y ahí está bien aberronchado :badgrin: .
Ignition Module DIS-4 Bosch 0 227 100 200 010.jpg

Más del mismo chopped:
Ignition Module DIS-4 Bosch 0 227 100 200 011.jpg
Ignition Module DIS-4 Bosch 0 227 100 200 012.jpg
Última edición por TELVM el Vie, 23 Abr 2010, 02:22, editado 1 vez en total.
Imagen
Imagen
"The only true law is that which leads to freedom"
(Jonathan Livingston Seagull)
MarteDJ
Master Calibreitor!
Mensajes: 6354
Registrado: Mié, 10 Mar 2004, 13:30
Ubicación: Madris
Contactar:

Re: [Bricox] McGivering Megasquirt V3.0 - DIY Rules

Mensaje por MarteDJ »

mmmm con 2 Fairchild y uno de estos iriamos servidos :-k

supongo que usaran conectores americanos de bujia

Imagen
martedj@hotmail.com
Mazda2 petroletas - 1993 Fragoneta de los malacatones
Big Boys Team Member

https://www.youtube.com/channel/UC_dncz ... Tal7aaxTNQ
"Think Outside of The Box" -Motoman
Responder