[BRICOX] LOS MISTERIOS DEL CALIBRA TURBO

[BRICOX], [INFOX], [DOCUX] seleccionados por la administracion.

Moderadores: Alan78, Tropic, Operadores, Moderadores

TELVM
Master Calibreitor!
Mensajes: 16918
Registrado: Mar, 23 Dic 2003, 01:03
Ubicación: Madrid
Contactar:

[BRICOX] LOS MISTERIOS DEL CALIBRA TURBO

Mensaje por TELVM »

El Calibra Turbo 4x4 es un soberbio deportivo que tiene una inmerecida fama de 'poco fiable', 'frágil', 'complicado' y 'no hay quien le meta mano'.

La cruda realidad es que este coche tan especial simplemente tiene una mecánica particular que necesita de unas rutinas extras de mantenimiento poco comunes. Siguiéndolas escrupulosamente, puede ser tan fiable o más que cualquier otro Calibra DOHC, y dar inmensas satisfacciones a su afortunado propietario :vamp: .

velocmetroa250maesepetuyq6.jpg
velocmetroa250maesepetuyq6.jpg (7.22 KiB) Visto 36017 veces
(Foto cortesía de Juanjo, aka Maese Petuta)

Pasando de ellas, este coche puede dar muchos disgustos.

Lo que sigue es un intento por arrojar luz y levantar los velos del 'misterio'. Es básicamente una síntesis en español de información recopilada en fuentes externas (británicas y alemanas sobre todo) para buen provecho del auditorio local poco aficionado a páginas extranjeras :lol: . Me limito a retransmitir lo que averiguaron antes que yo otros calibreros más sabios. Muchas de estas fuentes pueden encontrarse abajo del todo, en 'LINKS'.



turbo-parts.gif
turbo-parts.gif (26.34 KiB) Visto 36017 veces
turbo-parts.jpg
turbo-parts.jpg (7.37 KiB) Visto 35935 veces
En Latín, Turbo = Huracán, tornado, torbellino.


f_TurboBlackPm_a01c9f1.jpg
f_TurboBlackPm_a01c9f1.jpg (39.17 KiB) Visto 36017 veces

A LA CAZA DE LA FIERA, GUÍA DEL COMPRADOR



Aparte de lo usual mirándole el diente a un coche de segunda mano, en una fiera potencial hay que estar muy atento a todo esto:

Exterior

- Neumáticos: Cómo estan de fritos, y si es apreciable un mayor desgaste en los delanteros. De ser el caso el dueño no ha estado cruzando ruedas, y esto es un punto de incertidumbre (aunque prácticamente son lentejas con el propietario medio).

- Suspensión: Si el coche en cuestión esta bajado de suspensión, yo pasaría directamente. Tenga o no kit de corrección de caídas.

- Llantas: Las que menos problemas dan son las de serie, 6x16 ET49 :idea: .

- Expoliadores (mal llamados alerones): Los muy barrocos, 'estéticas' aparte, reducen la velocidad, aumentan el consumo, y en el 99% de los casos mejoran CERO el agarre trasero (a veces hasta lo empeoran :chondo: ).

Bajo el Capó

- 'Peloto': Si el acumulador de presión hidráulica del 4x4 (véase más abajo) no tiene un círculo blanco pintado encima, huir a escape (salvo que el dueño nos demuestre con factura fechada que ha sido puesto recientemente).

- Culata 'porosa': Si hay 'mayonesa' en lugar de refrigerante azul/verde/rosa en el vaso de expansión, puede que la culata este tocada :-k .

- Filtro de aire: Si tiene puesto un finstro cónico o de panel del tipo algodón impregnado de aceite, el motor habrá perdido compresión por el peor filtrado :finga: .

Arrancando el Motor

- Testigo 4x4: Al poner contacto debe encenderse. Al arrancar debe apagarse y mantenerse así durante todo el trayecto. Si se enciende en marcha, djudju djudju.

- Testigo presión de aceite: Debe apagarse antes de 10 segundos, incluso en frío.

- 'Test del algodón': Paramos motor, pisamos freno, ponemos contacto y arrancamos. El testigo 4x4 debe quedarse encendido. Al soltar freno debe apagarse :idea: .

- Taqués ruidosos: Son normales a motor frío, pero deberían suavizarse tras unos cinco minutos.

- Humos sospechosos en el escape: Una vez caliente el motor, en parado, pegarle varios acelerones y sueltas de pedal. Si sale excesivo humo blanco o azul, especialmente al soltar pedal, pudiera haber djudju en la turbina.

- Presión de aceite: Si hay relojes centrales, a motor caliente la presión de aceite debe andar por unos 2 bares al ralentí y unos 4,5 a toda máquina. Mucho menos de eso es preocupante.

Prueba en Marcha

Si nunca hemos llevado un motor turbo y/o siempre hemos conducido coches FWD, cuidadín. El Calibra Turbo responde al acelerador de forma explosiva, y se va de atrás en curva si achuchamos mucho :vamp: .

- En parte como comprobación y en parte por placer, escuchemos el silbido viperino de la turbina al darle caña. Si hay instalado un reloj de boost (extra no de serie) debe llegar a unos 0.8 bares acelerando a saco, y a unos 0.6 sostenidos.

- De serie la primera marcha esta limitada electrónicamente, no tiene sentido achucharle en 1ª.

- Donde más 'coces' pega este coche es en 3ª, pero para calibrar como tira es mejor achucharle en 4ª: Lo dejamos caer a 2000 rpm en 4ª, y pedal a saco. A 3000-3500 deber empezar a empujar, y a 4000 debe desbocarse, sin tirones ni toses.

- En 6ª, lo dejamos caer hasta 80 por hora y pedal a fondo. Debe responder y coger velocidad sin problemas (el torque del LET es descomunal). Ojo que como nos recreemos nos pondremos en 250.

- Enhebrar una cuesta arriba, pisarle a saco de golpe y aguantarlo así un rato. El testigo 4x4 debe mantenerse calladito.

- Si se escuchan CLONKS o ruidos sordos extraños al pisar freno por encima de 25 km/h el tránsfer esta frito o no le queda mucha vida.

- Después de un rato rodando parar motor, abrir capó, pegar oreja al peloto, pedirle al dueño que ponga contacto sin arrancar y empiece a darle pedaladas al freno. Contamos mentalmente las pedaladas. A cada pedalada deberemos escuchar un 'whooosh' procedente del peloto. Si los 'whooshes' cesan antes de 25 pedaladas, djudju.

- Preguntarle al dueño que marca de aceite motor ha estado usando y cada cuanto tiempo lo ha cambiado (por lo que pueda valer la respuesta).

- Podemos preguntarle al dueño por cruces de ruedas, cambios de peloto y cambios de lubricante viscoso del tránsfer, pero normalmente esto es hablar con la pared, aunque si responde positivamente es un excelente punto a favor del coche.




JUSTO TRAS AGENCIARNOS
UN CALIBRA TURBO,
PRECAUCIONES BÁSICAS:




1) PARA HACER IPSO FACTO:

- PONER NUEVO EL LUBRICANTE ESPECIAL DEL DIFERENCIAL VISCOSO CENTRAL. Mejunje GM 90443530, una botella cumple.
Véase aquí como hacerlo.

- Comprobar que el nivel PAS esta como debe:

f_PASchequeonm_527ca9e.jpg
y rellenar si hace falta con algún mejunje PAS del standard Dexron III (3-TRES) p'arriba, de momento.

- CRUZAR LAS RUEDAS (DELANTE-DETRÁS). Y lo antes posible poner nuevas las 4 gomas y establecer la rutina de cruce cada 2.500 km.

- PONER NUEVO EL ACEITE MOTOR, SINTÉTICO DEL BUENO QUE ES UN MOTOR TURBO. Yo le echaría Mobil 1 0W40. Y finstro de aceite nuevo.

- PONER PELOTO NUEVO. Véase
aquí y aquí como hacerlo.



2) PARA HACER LO ANTES POSIBLE:

- Comprobar que la válvula antirretorno del manguito fino entre la tapa de balancines y el colector admisión esta en orden. Una simple válvula de pecera servirá de repuesto, si se tercia.

- Cambiar el filtro de aire y el de gasolina.

- Cambiar todas las correas, especialmente la de distribución.

- Cambiar el líquido refrigerante motor. Una mezcla con 25-33% máximo de anticongelante irá de cine.

- Cambiar el líquido PAS por uno sintético de calidad, como Mobil ATF.

- Comprobar el coeficiente de planeo de la manta térmica del capó.



3) CONVIENE HACER ADEMÁS:

- El mod de la tapa de balancines, e intercalar un catch-tank en el que decanten los dos manguitos de reaspiración de aceite que salen da la tapa de balancines.

- Cambiar el líquido de frenos por un DOT4 y purgar. Pastillas nuevas de calidad tampoco vendrían mal.

- Bujías nuevas. Monopata de calidad, tipo Bosch FR7LDC o similar.

- Cambiar el lubricante de la caja de cambios ('valvulina') y el del diferencial del eje trasero. Yo le echo Mobilube 1 75W90 (2 litros la F28; 0,8 litros el diferencial trasero).

- Los LETs se meriendan los distribuidores de encendido y sus juntas. Es buena idea ponerlo todo de nuevo de una vez.

- Plantarle un intercooler decente y patear lejos el pateticooler. Esto no es trucaje, es mantenimiento elemental para que el motor no se achicharre en verano. De paso ganamos potencia.

- Abrirle una toma frontal RamAir para que respire bien.
Última edición por TELVM el Mié, 26 Sep 2007, 13:31, editado 23 veces en total.
Imagen
Imagen
"The only true law is that which leads to freedom"
(Jonathan Livingston Seagull)
TELVM
Master Calibreitor!
Mensajes: 16918
Registrado: Mar, 23 Dic 2003, 01:03
Ubicación: Madrid
Contactar:

Mensaje por TELVM »

RUTINAS ESPECIALES DE MANTENIMIENTO DEL CALIBRA TURBO


- CRUZAR RUEDAS CADA 2.500 km, esto es CRÍTICO.

- Darle siempre de beber alfalfa SP98, la que más protege contra el picado, temible en motores turbo. Nos puede salvar el LET si un día le da por chochear al sensor de picado .

- Cambiar aceite motor y finstro cada 5.000 km. máximo para proteger la turbina. Siempre sintético de calidad.

- Cambiar filtro de aire cada 10.000 km máximo (el LET chupa mucho más aire).

- Lubricante de tránsfer cada 50.000 km. máximo, o cada dos años máximo.

- Peloto nuevo cada 80.000 km. máximo.





RUTINAS ESPECIALES DE OPERACIÓN

- Un ojo siempre atento a la presión de aceite y al rayito; otro ojo siempre atento al chivato 4x4. El otro ojo bien calefactado sobre el cuero .

- Al menor parpadeo del chivato 4x4, PARAR INMEDIATAMENTE y rumiarlo, preferiblemente haciendo el autodiagnóstico ECU 4x4 (conviene llevar alambrito y tablas de códigos de error en la guantera ). Si no lo vemos claro, fuera el fusible 19.
NO PARAR IPSO FACTO CUANDO SE ENCIENDE EL 4x4 ES CRIMINAL.

- 3/4 de lo mismo si se nos enciende el rayito.

- Esperar como mínimo 3-5 segundos entre que arrancamos motor y echamos a andar, para que el peloto acumule presión y salgamos ya en 4x4.

- El LET durará más si calentamos bien motor y aceites antes de echar a andar, especialmente en invierno. Lo que yo hago es arrancar, espero 5 segundos, lo pongo a 2000 rpm y lo tengo así un par de minutos, y entonces echo a andar. Luego no le achucho de verdad hasta que la aguja de temperatura llega al 90. A patir de ahí, a saco sin complejos .

- Después de un rato dándole caña por autopista, conviene hacer los últimos 5 kilómetros o así a 100-120 km/h máximo, para refrescar la turbina.

- Siempre antes de parar un LET caliente, lo dejamos 30-45 segundos al ralentí y luego cortamos. Ni más, ni menos. Esto hace feliz a la K16.

- Al LET no le gusta el tráfico urbano, es mejor ir tranquilitos por ciudad, especialmente en verano.

- Los Calibra Turbo son criaturas que gustan de las escapadas nocturnas . Por la noche el pateticooler va más fresquito, no hay casi gañanes que estorben, y hay menos pitufos al acecho .





LO QUE NO SE DEBE HACER NUNCA CON UN CALIBRA TURBO

- Olvidarnos de quitar inmediatamente el fusible 19 en caso de pinchazo y tener que poner la rueda de repuesto :Hangman: . Nos cargaremos el tránsfer.

- Olvidarnos de poner nuevas las 4 ruedas antes de reponer el 19 tras haber sufrido un pinchazo. Nos jugamos el tránsfer :? .

- Tocar el freno de mano en marcha. HEREJÍA INCALIFICABLE QUE HARÁ PETAR EL TRÁNSFER :caguen: .

- Entrar a la ITV o a un banco de potencia de rodillos como el CDV sin quitar antes el fusible 19 :Hangman: . Nos jugamos el tránsfer.

- Jugar con la geometría de suspensión poniendo muelles más bajos, llantas enormes con offset incorrecto, separadores, o temas similares :roll: . Nos jugamos el tránsfer.

- Conducir con el culo y no con la cabeza. Son 1.400 kg. propulsados por 200 caballos a hasta 245 por hora. O estamos muy al loro al volante de esta fiera, o terminaremos adornando el paisaje :-k .
Última edición por TELVM el Lun, 13 Jun 2005, 17:11, editado 8 veces en total.
Imagen
Imagen
"The only true law is that which leads to freedom"
(Jonathan Livingston Seagull)
TELVM
Master Calibreitor!
Mensajes: 16918
Registrado: Mar, 23 Dic 2003, 01:03
Ubicación: Madrid
Contactar:

Mensaje por TELVM »

EL SISTEMA 4x4 DEL CALIBRA TURBO

El Cali Turbo tiene tracción integral con reparto variable entre ejes según coyuntura. A velocidad uniforme en llano el reparto típico es 75% de fuerza al eje delantero y 25% al trasero. Pero acelerando a saco cuesta arriba el reparto puede ser de casi 0%/100%.

Hay un diferencial para el eje delantero (como en los demás Calibras), un diferencial para el eje trasero, y un diferencial central para el reparto entre ejes, del tipo Ferguson viscoso, el famoso tránsfer:

jakolvalok.jpg
jakolvalok.jpg (7.62 KiB) Visto 36017 veces
Que va acoplado al diferencial delantero, tras la caja de cambios F28CR-6:
f_F28Trnsfer0m_ee466d5.jpg
f_F28Trnsfer0m_ee466d5.jpg (30.09 KiB) Visto 36017 veces
La gran particularidad especial del Calibra Turbo es que su diferencial viscoso central o tránsfer tiene su propio embrague, que lo desconecta al pisarse el freno a velocidades por encima de unos 25 km/h. Este embrague es operado por presión hidráulica desviada del circuito PAS de la dirección asistida, actuando sobre una placa de presión. Esta 'rareza' mecánica suele volver loco a todo mecánico que no se sepa bien la copla, lo que a menudo desemboca en ñapas atroces.

Así pues el Calibra Turbo tiene 3 diferenciales y 2 embragues. Un coche muy especial.




BLOQUE REGULADOR 4x4

La función de este conjunto es operar el embrague central del tránsfer. Proporcionándole fuerza hidráulica (a su presión particular) la placa de presión acopla el embrague. Negándosela lo desacopla.

El bloque regulador 4x4 comparte el líquido con el sistema PAS de la dirección asistida,
pero trabaja a menos presión (36-52 bares, contra los 55+ del PAS). Por eso incorpora varios elementos reguladores de presión.

Despiece del bloque regulador 4x4:

60-Pelotoybloque4x40.jpg
60-Pelotoybloque4x40.jpg (29.2 KiB) Visto 35935 veces
El 'peloto' o acumulador de presión '1' acumula líquido y presión para operar el embrague central. También respalda la línea de defensa amortiguando los 'surges'.

La válvula solenoide de control '8' regula cuando se acopla o desacopla el embrague central del tránsfer, abriendo o cerrando el paso de líquido hacia él. Su switch de presión '9' informa a la ECU 4x4 en el momento en que hay presión suficiente para operar el embrague del tránsfer (usualmente unos segundos tras arrancar).

Vista en corte del montaje del peloto:

reguladorpresin4x40014dg.jpg
reguladorpresin4x40014dg.jpg (23.71 KiB) Visto 35935 veces
El líquido hidráulico a gran presión procedente de la bomba de dirección asistida llega por un tubo y entra por 'A', es regulado por la válvula '1' y el exceso vuelve al circuito PAS por 'C'. La válvula tipo on/off '2' y la válvula antirretorno '3' alimentan de líquido hidráulico al acumulador de presión o peloto '4'. Del peloto el líquido sale hacia la válvula de control por 'B'.

Cuando el peloto esta lleno las válvulas '1' y '2' devuelven todo el líquido al circuito PAS, vía 'C' (alta presión hacia el rack) y 'D' (baja presión hacia el vaso PAS).

La válvula solenoide de control:

f_ReguladorPrm_4e59dab.jpg
f_ReguladorPrm_4e59dab.jpg (58.46 KiB) Visto 36017 veces
recibe líquido a la presión adecuada, cortesía del peloto. Cuando la ECU 4x4 decide que la tracción total debe estar enhebrada, esta válvula solenoide de control abre el paso hacia la placa de presión del tránsfer. El embrague TXB acopla y andamos a 4 patas.

Cuando la ECU 4x4 decide que hay que desconectar la tracción total (v.g. si pisamos freno a 25+ km/h), esta válvula solenoide de control cierra el paso hacia el TXB y devuelve todo el líquido al circuito PAS. El embrague del tránsfer desacopla y andamos a 2 patas (delanteras).




PELOTO
ilmaus800.jpg
ilmaus800.jpg (7.45 KiB) Visto 36017 veces
Tanto el circuito PAS (dirección asistida) como el circuito hidráulico de operación del embrague del tránsfer (TXB) comparten el mismo líquido hidráulico (el que en los demás Calis solo opera la PAS y se rellena por este vaso):
f_PASchequeonm_527ca9e.jpg
PERO mientras el circuito PAS opera a presiones de 55 bares para arriba, el circuito de operación del embrague del tránsfer opera a entre 36 y 52 bares. Así que comparten líquido, pero a presiones diferentes. Si la alta presión del circuito PAS le llegara tal cual al circuito del embrague TXB, CATACRUNCH.

El peloto actúa como acumulador hidráulico para el circuito embrague TXB. Al arrancar, el peloto empieza a acumular líquido PAS hasta que en unos segundos alcanza la presión necesaria para el circuito embrague TXB (36-52 bares). Cuando la alcanza, el exceso empieza a ser devuelto al circuito PAS. Por eso es importante esperar 5 segundos entre arrancar y echar a andar en un Calibra Turbo.

Peloto4x4001.jpg
Peloto4x4001.jpg (18.67 KiB) Visto 35935 veces
Otra importante función del peloto es que actúa como 'amortiguador' para los 'surges' o picos de presión de la bomba PAS.

Como se deduce, el peloto es crítico. Si falla será como si se rompe una presa: Desastre seguro.

label.jpg
label.jpg (39.34 KiB) Visto 36017 veces
El peloto debe cambiarse a los 80.000 km. máximo, o cada seis años, lo que antes suceda. Referencia OPEL EPC 0780351, más su junta anular de goma. Véase aquí y aquí como hacerlo.
Peloto4x4002.jpg
Peloto4x4002.jpg (22.44 KiB) Visto 35935 veces
Test de Operatividad del Peloto

Con este procedimiento podemos controlar si el peloto se mantiene o nó en forma.
Aunque pasara este test, un peloto caducado debería cambiarse, vd. mismo :

1) Todo a coche parado. Arrancar el motor y tenerlo en marcha un minuto. Parar motor.

2) Poner contacto (sin arrancar). Empezamos a darle pedaladas al freno, contando el nº de pisotones. A cada pisotón escucharemos un ruido 'whoosh' procedente del peloto (se esta descargando de fluido hidráulico acumulado). Seguimos pisando freno hasta que ya no se escuche ningún 'whoosh'.

3) Deberíamos haber necesitado 25 o más pedaladas.
Si el peloto 'se ha callado' antes de 25 pedaladas, djudju, a cambiarlo.



LÍQUIDO DIRECCIÓN ASISTIDA (PAS)

En los demás Calis un fallo en el sistema PAS simplemente significa que la dirección se volverá más dura. Pero en la fiera, debido a que su sistema PAS tiene una doble función y opera también el embrague del tránsfer, cualquier problema en el circuito hidráulico de la dirección asistida puede ser dañino para el sistema 4x4. Conviene pues comprobar rutinariamente que el circuito PAS este en buenas condiciones, con el nivel adecuado de líquido, y con líquido sintético de calidad no excesivamente añejo (standard Dexron III-TRES mínimo).

En un Cali Turbo el líquido PAS se mueve por:

- El circuito PAS de la dirección asistida (como en cualquier otro Cali).

- El bloque regulador 4x4 (peloto incluido).

- El circuito de operación del embrague TXB hasta la placa de presión (sección media del tránsfer).


* NO tiene contacto ni se mezcla con el lubricante especial del diferencial viscoso (sección trasera del TXB), salvo catástrofe. ¡¡¡ NADA DE RELLENAR EL TRÁNSFER CON DEXRON II Ó III, CATACRACK !!!

* NO tiene contacto ni se mezcla con el lubricante de transmisión ('valvulina') que la conexión con el diferencial del eje delantero / planetarios (sección delantera del TXB) comparten con la caja de cambios F28.


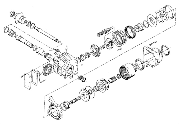
Las tripas del tránsfer, de proa a popa:

3) Conexión con el diferencial delantero y planetarios. Líquido: 'Valvulina'.

4) Placa de presión para la operación del embrague del TXB. Líquido: PAS.

5) Diferencial viscoso central. Líquido: Lubricante especial para el diferencial viscoso.

f_Trnsferesqum_ccb0faf.jpg
f_Trnsferesqum_ccb0faf.jpg (48.87 KiB) Visto 36017 veces

LAS TRIPAS DEL TRÁNSFER
f_Trnsfer008Bm_70b199a.jpg
f_Trnsfer008Bm_70b199a.jpg (106.22 KiB) Visto 36017 veces
trnsfer0194gj.jpg
trnsfer0194gj.jpg (41.23 KiB) Visto 35935 veces
f_TrnsferDespm_46d1fa5.jpg
f_TrnsferDespm_4c36386.jpg
f_TrnsferDespm_4c36386.jpg (114.2 KiB) Visto 36017 veces
En el interior del tránsfer hay tres elementos principales, de delante hacia atrás:
- Engranajes y planetario

- Embrague Multidisco Hidráulico del TXB

- Diferencial Viscoso central

trnsferengranajesyanillosembra.jpg
trnsferengranajesyanillosembra.jpg (18.35 KiB) Visto 35935 veces
ENGRANAJES Y PLANETARIO

En la sección delantera del tránsfer, contiene cuatro conjuntos de engranajes:


A) Engranaje Hipoidal

Su función es transmitir la rotación desde la caja de cambios, girando 90º hacia atrás:

trnsferengranajesengranajehipo.jpg
trnsferengranajesengranajehipo.jpg (23.16 KiB) Visto 35935 veces
B) Engranajes Satélites

Son 3 ruedas dentadas excéntricas (dos de las cuales pueden verse en la foto) integradas en el engranaje hipoidal:

f_TrnsferEngrm_efc9c4f.jpg
f_TrnsferEngrm_efc9c4f.jpg (61.2 KiB) Visto 36017 veces
Estas tres pequeñas ruedas son las que transmiten la fuerza al diferencial viscoso cuando el embrague hidráulico TXB acopla.


C) Engranaje Anular

f_TrnsferEngrm_ab15818.jpg
f_TrnsferEngrm_ab15818.jpg (32.13 KiB) Visto 36017 veces
Gira alrededor de los tres satélites, enhebrando con ellos por medio de sus piños internos:
trnsferengranajesengranajeanul.jpg
trnsferengranajesengranajeanul.jpg (27.15 KiB) Visto 35935 veces
Por su parte exterior conecta con los anillos 'interiores' del embrague TXB, por medio de sus piños externos:
trnsferengranajesengranajeanul1.jpg
trnsferengranajesengranajeanul1.jpg (40.32 KiB) Visto 35935 veces
Sólo los anillos 'interiores' del embrague TXB enhebran en el engranaje anular, no los 'exteriores'.


D) Engranaje Planetario

trnsferengranajesengranajeplan.jpg
trnsferengranajesengranajeplan.jpg (10.53 KiB) Visto 35935 veces
Por su extremo con dientes en ángulo conecta con las tres ruedas satélites, pero no por el exterior como el engranaje anular, sino desde el centro, como se aprecia en esta foto:
f_TrnsferEngrm_e1c04d9.jpg
f_TrnsferEngrm_e1c04d9.jpg (71.97 KiB) Visto 36017 veces
Su otro extremo, con piños rectos, conecta finalmente con el diferencial viscoso.


Esta imagen ilustra como enhebra todo el conjunto:

f_TrnsferEngrm_dda3c84.jpg
f_TrnsferEngrm_dda3c84.jpg (100.36 KiB) Visto 36017 veces
Sección interna: Aquí el engranaje planetario conecta con el interior de los 3 engranajes satélites. Cuando la fiera va a cuatro patas estos dos conjuntos (satélites y planetarios) estan acoplados.

Sección Externa: Aquí los 3 engranajes satélites conectan por su exterior con el interior del engranaje anular. Cuando la fiera va a dos patas (por pisar freno por encima de 25 km/h, o si se produce algún fallo) estos dos conjuntos (satélites y engranaje anular) estan acoplados.

Sección Anillos del Embrague TXB: Aquí es donde conectan el engranaje anular y los anillos 'interiores' del embrague TXB.
trnsferengranajesyanillosembra.jpg
trnsferengranajesyanillosembra.jpg (18.35 KiB) Visto 35935 veces
trnsferengranajesyanillosembra_002.jpg
trnsferengranajesyanillosembra_002.jpg (120.79 KiB) Visto 35935 veces
EMBRAGUE MULTIDISCO HIDRÁULICO DEL TXB

En la parte central del tránsfer, su función es desconectar el 4x4 y dejar sin fuerza a las ruedas posteriores cuando se frena por encima de 25 km/h o cuando se detecta algún fallo en el sistema.

Los dos elementos del embrague TXB son:

- Anillos del embrague TXB

- Placa de Presión



A) Anillos del Embrague TXB

Funcionan de manera similar a los discos en el interior del diferencial viscoso.

f_TrnsferEmbrm_76574dc.jpg
f_TrnsferEmbrm_76574dc.jpg (69.68 KiB) Visto 36017 veces
Como se aprecia en la foto, hay dos tipos distintos de anillos en el embrague TXB: Unos con piños por el interior y otros con piños por el exterior. El anillo desdentado, en la parte superior de la foto, es el posterior, el que contacta contra la placa de presión.

Los anillos con piños internos enhebran con los piños externos del engranaje anular. Los anillos con piños externos conectan con el interior de la carcasa del tránsfer, y no se mueven:

f_TrnsferEmbrm_985ba9c.jpg
f_TrnsferEmbrm_985ba9c.jpg (92.81 KiB) Visto 36017 veces
Los anillos van alternados: Uno con piños internos, seguido de otro con piños externos, luego otro con internos, y así sucesivamente. Los anillos con piños internos llevan en ambas caras un recubrimiento de material tipo forro de embrague:
trnsferembraguetxbanillos0030n.jpg
trnsferembraguetxbanillos0030n.jpg (20.78 KiB) Visto 35935 veces
B) Placa de Presión

Es una placa circular situada hacia la mitad del tránsfer, que separa físicamente el diferencial delantero y los engranajes planetarios del diferencial viscoso central:

f_TrnsferPresm_334fe01.jpg
f_TrnsferPresm_334fe01.jpg (126.76 KiB) Visto 36017 veces
f_TrnsferPresm_893a57e.jpg
f_TrnsferPresm_893a57e.jpg (92.56 KiB) Visto 36017 veces
Por el tubo que se proyecta oblícuamente hacia fuera le llega la presión hidráulica para operar. Su función es presionar contra el conjunto de anillos del embrague TXB, para hacerlos solidarios.

Cuando el bloque 4x4 le envía presión hidráulica a unos 52 bares y la placa los aprieta juntos, los anillos de embrague TXB con piños interiores no pueden ya girar con el engranaje anular, pues el contacto a presión con los anillos con piños exteriores lo impide. Esto a su vez impide girar al engranaje anular.

Y con el engranaje anular fijado, las tres ruedas satélites no pueden ya hacerlo girar (como hacen normalmente, con el embrague TXB desacoplado) y no les queda mas cujons que hacer girar al engranaje planetario central. Que a su vez transmite rotación al diferencial viscoso central. Y ya estamos a cuatro patas.

Cuando el bloque 4x4 corta la presión hidráulica y la presión cae a unos 36 bares, la placa de presión retrocede con la ayuda de un muelle, los anillos del embrague TXB se separan, los satélites dejan de enhebrar con el engranaje planetario central, y volvemos a andar a dos patas.

Todo esto sucede en milisegundos y automáticamente, sin intervención del conductor (más allá de pisar el freno por encima de 25 km/h). Por debajo de 24 km/h el 4x4 sigue enhebrado aunque pisemos el freno.



La placa de presión es la responsable involuntaria de la típica petada de tránsfer. Cuando el peloto expira, por este tubo llega de golpe mucha más presión de la debida, la placa revienta, el zumo PAS entra arrasando hacia el diferencial viscoso, empuja el lubricante y el cóctel subsiguiente sale a borbotones por el manguito de respiración del tránsfer. Sit Tibi Terra Levis.

En el tránsfer hay 3 mejunjes que nunca deben mezclarse: Lubricante de transmisión para el diferencial delantero ('valvulina'); fluído hidráulico PAS para la placa de presión; y el lubricante especial para el diferencial viscoso central.



DIFERENCIAL VISCOSO CENTRAL

Este elemento determina el reparto de fuerza entre el tren delantero y el trasero, de forma variable.

f_TrnsferDifem_24f35b7.jpg
f_TrnsferDifem_24f35b7.jpg (59.11 KiB) Visto 36017 veces
Es una unidad completamente sellada, con forma cilíndrica, que va alojada en la parte posterior del tránsfer. En su interior hay dos tipos diferentes de placas o discos de acero, sumergidos en un fluido especial.
f_TrnsferDifem_b1d3a02.jpg
f_TrnsferDifem_b1d3a02.jpg (47.39 KiB) Visto 36017 veces
Los discos interiores presentan ranuras, como se aprecia en '3', y conectan con el eje central por medio de sus piños internos.

Los discos exteriores presentan orificios, como se aprecia en '2', y por medio de sus piños externos conectan con la carcasa del diferencial viscoso central, que a su vez va fijada al eje longitudinal posterior (que lleva la fuerza al diferencial trasero) y gira solidaria con él.

Los discos interiores van alternados con los exteriores, pero no hacen contacto físico entre ellos. El espacio mínimo entre ellos va relleno del lubricante viscoso especial.

En condiciones normales (velocidad uniforme en llano) el reparto de fuerza es 75% delante y 25% detrás. La diferencia de velocidad entre las ruedas delanteras y las traseras es mínima. La diferencia de velocidad entre los discos interiores y los exteriores es también mínima.

Cuando la diferencia de velocidad entre las ruedas delanteras y las traseras se hace apreciable (por ejemplo acelerando a saco cuesta arriba, donde el tren delantero patina más), la diferencia de velocidad entre los respectivos discos del diferencial viscoso aumenta proporcionalmente. En este caso los discos interiores giran más rápido que los exteriores.

Esta diferencia de velocidad significa que el lubricante viscoso no puede ya fluir libremente entre los discos, por lo que su temperatura aumenta instantáneamente.

f_TrnsferDifem_fecef43.jpg
f_TrnsferDifem_fecef43.jpg (98.03 KiB) Visto 36017 veces
Debido a sus especiales características, la viscosidad de este fluido aumenta con la temperatura. Como resultado, las placas que antes giraban con libertad unas con respecto a otras se hacen progresivamente más solidarias según aumenta la temperatura. Y esto permite que progresivamente más fuerza sea transmitida al eje trasero por medio de los discos externos. En casos extremos, hasta el 100% de la fuerza es transmitida a las ruedas traseras.

Éste es el truco del reparto 4x4 variable en la fiera.




LUBRICANTE VISCOSO DEL TRÁNSFER

Este lubricante es crítico para el buen funcionamiento del sistema 4x4, y para su seguridad. Si nos olvidamos de cambiarlo durante años, o si lo cambiamos por mejunjes impropios como el Dexron II, es tránsfer se recalentará y se quemará. Es muy saludable cambiarlo cada 2 años máximo (1 año en fieras trucadas o a las que fustiguemos mucho).

Véase
aquí como el tío Telvm cambió su lubricante TXB en un par de horas en el parking de un carrefú.

1) Coche arriba, sacar tornillo anclaje a la izquierda del sensor temp (NO-REPITO-NO TOCAR EL SENSOR TEMP, FRÁGIL) soltar tuerca vaciado TXB, escurrir, cerrar tuerca vaciado.

2) Enhebrar embudo con punta fina o adaptador al manguito de respiración TXB (que suele campar en las cercanías del vaso de expansión refrigerante motor), verter despacito y con paciencia el nuevo mejunje. Cuando desborde por el hueco del tornillo lateral de fijación del TXB ( ), parar y cerrar tornillo lateral de fijación. Bajar el coche.

3) A rugir. Escupirá un pelín por el manguito al principio (normal) hasta que ecualice.

Todo esto es escasamente más complicado que cambiar el aceite motor o caja de cambios.

Fotos de la misma operación en la fiera del compañero Juanjo:

f_TrnsferPetum_4229c1d.jpg
f_TrnsferPetum_4229c1d.jpg (116.01 KiB) Visto 36017 veces
f_TrnsferPetum_167eb26.jpg
f_TrnsferPetum_167eb26.jpg (128.4 KiB) Visto 36017 veces
Referencia GM 90443530 - OPEL EPC 1940703:
Transfer%20box%20Oil%20can.jpg
Transfer%20box%20Oil%20can.jpg (5.72 KiB) Visto 36017 veces
Si no encontramos el mejunje GM, podemos usar en su defecto Mobilube 1 75W90.



SENSOR DE TEMPERATURA DEL LUBRICANTE VISCOSO TXB

En el tránsfer hay un sensor de temperatura que hace saltar la alarma cuando el lubricante especial del diferencial viscoso central se recalienta a 160º C o más. Se enciende el chivato de alarma 4x4 en el cuadro, PERO NO SE DESCONECTA AUTOMÁTICAMENTE EL SISTEMA 4x4. Así que INMEDIATAMENTE que veamos encenderse el chivato 4x4 hay que PARAR EL COCHE, y ante las dudas, quitar el fusible 19. O atenernos a las consecuencias (usualmente, tránsfer CATACRACK).


Tómese buena nota de que un lubricante viscoso fresco, puesto este año o el pasado, tendrá MUCHA MÁS resistencia al recalentamiento que el aguachirri en que se habrá convertido el lubricante puesto en la factoría PELO en 1992-96, si nunca se ha cambiado, a fecha 2005 (9-13 años después ).

Llevar fresco el lubricante viscoso, no dejar caducar el peloto, y cruzar las ruedas cada 2.500 km. son las claves para rugir a saco sin problemas muuuchos km. con estas fieras .

Los muy primeros Calibras Turbo (hacia 1992) no montaban sensor de temperatura en el TXB, sólo una tuerca de nivel:

f_TrnsferSensm_efe0620.jpg
f_TrnsferSensm_efe0620.jpg (50.89 KiB) Visto 36017 veces
En los Calis Turbo '2ª tanda' (hacia 1992-94) el sensor de temperatura del TXB es de dos cables, como éste:
f_TrnsferSensm_3ea79e5.jpg
f_TrnsferSensm_3ea79e5.jpg (51.96 KiB) Visto 35935 veces
tempsensorfig2.jpg
tempsensorfig2.jpg (20.54 KiB) Visto 35935 veces
Que tiene la puñeteramente graciosa peculiaridad de quedarse crillado en 'on' a la primera ocasión que conecte por recalentamiento, con lo que tocará cambiarlo a cada calentón del TXB, si es que éste sobrevive al evento (otra razón de menor orden para cambiar el lubricante viscoso cada año y cruzar ruedas cada 2.500 km. ).

Los Calis Turbo '3ª tanda' (a partir de 1994) llevan el sensor de temperatura de un solo cable, 'reutilizable', que no se crilla a la primera alarma y es forever mientras funcione correctamente, haya o no calentones de TXB:

onewiretempsensor.jpg
onewiretempsensor.jpg (12.96 KiB) Visto 35935 veces
En mi fiera (el óvalo amarillo señala el tornillo de nivel, el sensor y su cable estan a su derecha):
Transfer%20box%20Temp%20sensor2.jpg
Transfer%20box%20Temp%20sensor2.jpg (6.79 KiB) Visto 35935 veces
En principio no se puede cambiar el de 'un solo uso' por el 'multiuso', porque la ECU del 4x4 es diferente en ambos casos.



DIFERENCIAS EN EL TRÁNSFER SEGÚN EL AÑO DEL COCHE

LA '1ª tanda' de Calibras Turbo, hasta 1992, no llevaban sensor de temperatura en el tránsfer, sólo un tornillo en un orificio de menor tamaño que el de los posteriores con sensor temp. Además tienen piezas con cotas diferentes que los convierte en no intercambiables: El eje entre el embrague y el diferencial viscoso es más corto; el collar negro externo es más profundo y tiene el labio de fijación en diferente posición.

La '2ª tanda', aproximadamente 1992-95, llevan el sensor temp de 2 cables.

Los '3ª tanda', 1995 en adelante, llevan el sensor de 1 cable.

Además puede haber dos tipos de anillos dentados entre los planetarios y el embrague TXB, que no son intercambiables.

Véase
aquí para más detalles.



COMPATIBILIDAD ENTRE TXB DE CALIBRA 4x4 8V, 16V Y TURBO

El TXB de los Turbos es diferente al de los demás Calis 4x4. Un TXB de Turbo le valdría en teoría a un 16V 4x4 y a un 8V 4x4. Pero a la inversa no puede funcionar.




UNIDAD ELECTRÓNICA DE CONTROL (ECU) DEL 4x4

En el Calibra Turbo la tracción total es supervisada por una ECU específica extra, alojada a la derecha de la caja de fusibles:

ecu4x40016zg.jpg
ecu4x40016zg.jpg (18.71 KiB) Visto 35935 veces
ecu4x4alojamiento0016wc.jpg
ecu4x4alojamiento0016wc.jpg (36.37 KiB) Visto 35935 veces
Para tutelar la correcta operación del sistema 4x4 esta ECU atiende a los datos de diferentes sensores:

- Switch del freno de pie

- Sensor de velocidad (en las fieras hasta 1994 con velocímetro mecánico se utiliza el velocímetro del tablero; a partir de 1994, con velocímetro electrónico, la señal se obtiene de los captadores ABS delanteros).

- Switch de presión del bloque 4x4:

ecu4x4switchpresin0014yx.jpg
ecu4x4switchpresin0014yx.jpg (36.11 KiB) Visto 35935 veces
que vigila la presión existente entre la válvula de control del bloque 4x4 y la placa de presión del embrague TXB.

- Sensor de temperatura del lubricante viscoso TXB

Sobre la información que obtiene de estos sensores, la ECU 4x4 decide cuando enhebrar y deshenebrar la tracción total, y cuando encender el testigo de alerta 4x4 si cree que hay djudju.

f_ECU4x4002m_5762411.jpg
f_ECU4x4002m_5762411.jpg (53.38 KiB) Visto 35935 veces
La ECU 4x4 desconecta la tracción total y deja el coche en FWD cuando:

- En operación normal se pisa el freno por encima de 24 km/h.


- Se detecta presión hidráulica hacia el TXB cuando la ECU 4x4 calcula que no debería haberla. La tracción total estará permanentemente conectada. El testigo 4x4 parpadeará. Causas típicas: Válvula solenoide de control del bloque 4x4 crillada en 'abierto' // Switch de presión tras ella defectuoso o desconectado.
ecu4x4testigo0012gm.jpg
ecu4x4testigo0012gm.jpg (39.91 KiB) Visto 35935 veces
- No se detecta presión hidráulica hacia el TXB cuando la ECU 4x4 calcula que si debería haberla. La tracción total estará permanentemente desconectada. El testigo 4x4 se mantendrá encendido. Causas típicas: Diferencial viscoso central petado (manguito de respiración TXB escupiendo) // Junta de la placa de presión petada (manguito de respiración TXB escupiendo) // Bomba PAS frita // 'Peloto' frito // Válvula solenoide de control crillada en 'cerrado', o su conector o fusible defectuosos, u otro problema en el bloque 4x4.

- Otros fallos eléctricos que encenderán el testigo 4x4 son: Switch de pedal de freno // Input de velocidad // Input de rpm motor // sensor de temperatura del TXB.



En los Calibra Turbo se montaron dos tipos diferentes de centralitas 4x4:

- Hasta 1994, la GM 90 306 048, con conector de 13 pines. Nos permite hacerle el autodiagnóstico con flashes en el tablero.

- Desde 1994, la GM 90 461 295 JZ, con conector de 26 pines. Sólo se pueden leer los códigos de error con el Tech-1 (putada).

Para autodiagnóstico ECU 4x4 hay que puentear los pines A y J:

autodiagnsticosecu4x4ayj0015ku.jpg
autodiagnsticosecu4x4ayj0015ku.jpg (33.07 KiB) Visto 35935 veces
Códigos de Error de la ECU 4x4

· 15 Sensor de temperatura lubricante TXB: Voltaje ALTO
# Posible causa: Circuito abierto
* Se desconecta el 4x4 ==> Testigo 4x4 encendido

----------
· 24 No se recibe señal de velocidad
----------
· 31 Señal de RPM motor
# Posible causa: No se recibe señal de RPM motor
* Se desconecta el 4x4 ==> Testigo 4x4 encendido
----------
· 32 Switch de presión
# Posible causa: Switch de presión detecta presión, aunque la válvula solenoide de control esta cerrada
*** 4x4 permanente ==> Testigo 4x4 parpadeando
----------
· 33 Válvula solenoide de control: Voltaje ALTO
# Posibles causas: Circuito abierto // Fusible 19 quitado // (En coches '2ª tanda', sensor de temperatura lubricante TXB recalentado a 160+ ºC)
* Se desconecta el 4x4 ==> Testigo 4x4 encendido
----------
· 34 Válvula solenoide de control: Voltaje BAJO
# Posible causa: Cortocircuito a masa
* Se desconecta el 4x4 ==> Testigo 4x4 encendido
----------
· 37 Interruptor de freno de pie
# Posible causa: No llega señal del interruptor de freno de pie
* Se desconecta el 4x4 ==> Testigo 4x4 encendido
----------
· 39 No hay señal de velocidad desde el ABS
# Posibles causas: Fallo en captador ABS delantero // 2300+ RPM durante más de 15 segundos con coche parado
* Se desconecta el 4x4 ==> Testigo 4x4 encendido

----------
· 55 ECU 4x4 defectuosa
# Posibles causas: Válvula solenoide de control frita // ECU 4x4 frita
*** 4x4 Permanente ==> Testigo 4x4 parpadeando
----------
· 71 Interruptor de freno de pie: Voltaje ALTO
# Posible causa: Circuito abierto
* Se desconecta el 4x4 ==> Testigo 4x4 encendido

----------
· 72 Interruptor de freno de pie: Voltaje BAJO
# Posible causa: Cortocircuito a masa
* Se desconecta el 4x4 ==> Testigo 4x4 encendido

----------
· 73 Interruptor de freno de pie
# Posibles causas: Fallo en el interruptor // Coche detenido sin usar los frenos desde velocidades superiores a 60 km/h
* Se desconecta el 4x4 ==> Testigo 4x4 encendido

----------
· 74 Switch de presión
# Posibles causas: Switch de presión no detecta presión, aunque la válvula solenoide de control esta abierta // Presión PAS baja, menos de 10 bares
* Se desconecta el 4x4 ==> Testigo 4x4 encendido

----------
· 75 Sensor de temperatura lubricante TXB: Voltaje BAJO
# Posibles causas: Tránsfer recalentado a 160+ ºC, o a 140+ ºC y a velocidad superior a 190 km/h // Cortocircuito a masa
* Se desconecta el 4x4 ==> Testigo 4x4 encendido



*Los códigos en amarillo sólo se aplican a los coches con centralita 4x4 GM 90 461 295 JZ y velocímetro electrónico, aproximadamente a partir de 1994.



EJE DE TRANSMISIÓN CENTRAL

Este eje transmite la fuerza desde el diferencial viscoso central hasta el diferencial del tren trasero.

f_EjeCentral4m_c71d02a.jpg
f_EjeCentral4m_c71d02a.jpg (39.36 KiB) Visto 35935 veces
Consta de tres piezas, con dos articulaciones y dos apoyos en chasis, para compensar las flexiones estructurales y reducir vibraciones.
ejecentralsalidatrnsfer001b8gm.jpg
ejecentralsalidatrnsfer001b8gm.jpg (95.09 KiB) Visto 35935 veces
ejecentral4x40028hd.jpg
ejecentral4x40028hd.jpg (113.79 KiB) Visto 35935 veces
ejecentral4x40030yg.jpg
ejecentral4x40030yg.jpg (112.86 KiB) Visto 35935 veces

DIFERENCIAL TRASERO

Proviene del Holden Commodore V8 y es un elemento resistente y fiable, que puede digerir sin problemas 400 CV.

f_Diferencialm_e8a5527.jpg
f_Diferencialm_e8a5527.jpg (43.17 KiB) Visto 35935 veces
f_Diferencialm_5702880.jpg
f_Diferencialm_5702880.jpg (55.01 KiB) Visto 35935 veces
Sin embargo, no estará de más cambiarle su lubricante ('valvulina') cada 50.000 km. idealmente, o cada 100K máximo.

Esto se hace desatornillando primero su placa de cierre trasera para que caiga el aceite viejo, preferiblemente después de rodar un rato para que el mejunje este caliente y fluya mejor. Tras escurrir bien hay que volver a cerrar la tapa. Idealmente habría que reponer una junta nueva, referencia (GM 90 223 555 - EPC 4 16 124) // GM 90 094 714 - EPC 15 03 166, pero puede ser difícil encontrarla pues parece que la PELO la ha descatalogado. En su defecto podemos usar sellador referencia GM 90 542 115.
f_Diferencialm_577d1fa.jpg
f_Diferencialm_577d1fa.jpg (36.73 KiB) Visto 35935 veces
Una vez seco el sellador, extraemos el tornillo lateral de nivel, insertamos un tubo flexible y rellenamos con unos 0,8 litros de lubricante de transmisión sintético de calidad, como Mobilube 1 75W90. Cuando rebose apretamos tornillo y a rugir.
f_Diferencialm_ab63375.jpg
f_Diferencialm_ab63375.jpg (111.82 KiB) Visto 35935 veces
Última edición por TELVM el Mié, 26 Sep 2007, 14:32, editado 93 veces en total.
Imagen
Imagen
"The only true law is that which leads to freedom"
(Jonathan Livingston Seagull)
TELVM
Master Calibreitor!
Mensajes: 16918
Registrado: Mar, 23 Dic 2003, 01:03
Ubicación: Madrid
Contactar:

Mensaje por TELVM »

EL MOTOR C20LET


CABLEADO
letloomdiagfinal0sj.jpg
c20letloomlabels26xb.jpg

CONTROL DEL TURBO

En la fiera el control del turbo es electrónico, gobernado por la ECU, con wastegate interna operada neumáticamente.

Wastegate

f_Wastegate00m_6756ad8.jpg
f_Wastegate00m_6756ad8.jpg (115.01 KiB) Visto 35935 veces
Es una puertecilla abisagrada interna junto a la turbina que al abrirse ofrece una ruta alternativa a los gases de escape. Cuando esta cerrada todos los gases pasan por la turbina. Cuando esta abierta una buena parte de los gases no pasa por la turbina.
f_TurbinaK16dm_bf484e4.jpg
f_TurbinaK16dm_bf484e4.jpg (148.72 KiB) Visto 35935 veces
Actuador wastegate
f_Wastegate00m_642e73f.jpg
f_Wastegate00m_642e73f.jpg (76.64 KiB) Visto 35935 veces
Es un mecanismo neumático. Cuando recibe aire a una sobrepresión de 0.25+ bares empuja hacia la derecha una varilla roscada con dos tuercas, venciendo a un muelle y abriendo la wastegate, que es solidaria con la varilla. Cuando el actuador no recibe aire a presión el muelle lo devuelve hacia la izquierda, y la wastegate cierra.

Válvula AMAL

Es una válvula eléctrica con tres pitorros, a saber:

wastegate0043xq.jpg
wastegate0043xq.jpg (70.64 KiB) Visto 35935 veces

- El posterior enhebra en 'T' con el manguito gordo de reaspiración de aceite y a la vez con un pitorro justo antes del compresor, donde la presión será siempre la atmosférica o inferior.

- De los dos delanteros, uno va a otro pitorro justo después del compresor, donde puede haber y habrá presión superior a la atmosférica, cortesía del compresor. El otro va al actuador de la wastegate.

DESCONECTADA - Con la válvula AMAL cerrada (su estado natural) el actuador wastegate queda en línea con la zona aguas abajo del compresor, donde hay alta presión de aire. Cuando recibe aire a presión el actuador empuja y la wastegate se abre, creando un by-pass alrededor de la turbina. En estas condiciones sólo una parte de los gases de escape pasan por la turbina, pues la otra parte se escaquea por la wastegate. Esto le corta el rollo a la turbina, que no puede ya subir más de rpm. Al compresor le pasa lo mismo, no comprime más allá el aire de admisión y la presión de admisión no pasa de ahí. Non habemvs + boost:

turbocontrol003kb2.jpg
turbocontrol003kb2.jpg (85.26 KiB) Visto 35935 veces
CONECTADA - Con la válvula AMAL abierta (por mando eléctrico de la ECU) el actuador wastegate queda en línea con el lado atmosférico del compresor y el manguito gordo de reaspiración de aceite, donde hay baja presión de aire. Sin presión el actuador no empuja y la wastegate se mantiene cerrada. En estas condiciones la totalidad de los gases de escape pasan por la turbina. Ésta se pone cachonda y gira como una loca subiendo de rpm. El compresor, coaxial con la turbina, gira también como loco comprimiendo y dando presión al aire de admisión. Habemvs boost:
turbocontrol002zo3.jpg
turbocontrol002zo3.jpg (86.13 KiB) Visto 35935 veces
Sensor de presión de admisión

Esta físicamente dentro de la ECU. Un manguito fino desde el colector de admisión le lleva una muestra informativa sobre la presión que hay en la línea de admisión para que la ECU lo rumie.

EDSChips003.jpg
EDSChips003.jpg (248.3 KiB) Visto 35935 veces
f_ECUPrimerAtm_061b05a.jpg
f_ECUPrimerAtm_061b05a.jpg (102.13 KiB) Visto 35935 veces

La ECU dirige y tutela el negocio, por medio de la válvula AMAL, de la siguiente manera:

· Por defecto (o por avería) la AMAL esta cerrada ==> actuador activo ==> wastegate abierta ==> no puede subir mucho el boost. Esto es un seguro de vida, caso de que la AMAL falle parece mucho más saludable cortar el boost que dejarlo subir descontroladamente hasta BADABÚM y adiós LET.

· En cuanto la ECU detecta una presión de 1.05 bares en el colector de admisión (la turbina empieza a dar señales de vida) ordena abrirse a la AMAL ==> actuador inerte ==> wastegate cerrada ==> puede empezar a subir el boost.

· En el momento en que (pisando sostenido a saco) nos acercamos a la presión máxima de soplado que tenga escrita en su encéfalo (0.6 bares de serie), la ECU le explica eléctricamente a la AMAL: "¡Echa el freno Madaleno!". Ésta se cierra ==> actuador activo ==> wastegate abierta ==> el boost empieza a bajar. Inmediatamente la ECU detecta boost por debajo del límite y vuelve a abrir la AMAL. Vuelve a detectar exceso de boost y la vuelve a cerrar. Y así sucesivamente, manteniendo el boost máximo en su punto. La ECU es la chica más rápida al Oeste del Pecos, y típicamente hace enhebrar al actuador wastegate unas diez veces por segundo (interesante pista sobre porqué terminan cascando con el tiempo los actuadores wastegate :idea: ).

· En 1ª y en marcha atrás la ECU mantiene la AMAL desconectada, la wastegate permanece abierta y hay poco o nada de boost. Esto es un limitador para la buena salud mecánica de la F28 y el TXB.

:vamp: Overboost :vamp:

Son los pequeños detalles los que dan sabor a la vida. La M2.7 es una chica muy lista y sabe bien lo que le gusta al chófer de la fiera. Al pisar a saco la ECU aguanta la AMAL conectada y la wastegate cerrada un poquito nada más por favor para que el boost suba a 0.8 bares (de serie) durante unos segundos. Esto se manifiesta como la célebre 'coz del posquemador' :twisted: .

Pasados esos segundos (variables según condiciones, temperaturas, etc.) el boost cae a los 0.6 bares máximos sostenidos. Sólo veremos picos de 0.8 durante esos breves momentos de gloria cervical y pasmo petrolero 8) .






Autodiagnóstico Motor

Para autodiagnóstico motor hay que puentear los pines A y B:

f_Autodiagnstm_51ec55c.jpg
f_Autodiagnstm_51ec55c.jpg (27.14 KiB) Visto 35935 veces
Códigos de Error ECU Motronic 2.7

· 12 Inicio de diagnosis y separador de códigos
· 13 Problema con la sonda lambda, motor en 'open loop'
· 14 Sensor de temperatura refrigerante motor (CTS): Voltaje BAJO
· 15 Sensor de temperatura refrigerante motor (CTS): Voltaje ALTO
· 16 Señal del circuito del sensor de picado: No hay cambios en el voltaje
· 18 Módulo de control del sensor de picado (ECU) defectuoso
· 19 Señal de RPM procedente del sensor de cigüeñal incorrecta
· 21 Sensor de posición del acelerador (TPS): Voltaje ALTO
· 22 Sensor de posición del acelerador (TPS): Voltaje BAJO
· 23 Señal del sensor de picado fuera de parámetros
· 24 Sensor de velocidad
· 25 Inyector nº 1: Voltaje ALTO
· 26 Inyector nº 2: Voltaje ALTO
· 27 Inyector nº 3: Voltaje ALTO
· 28 Inyector nº 4: Voltaje ALTO
· 31 No hay señal de RPM motor (motor parado, o fallo en el sensor de cigüeñal)
· 38 Sonda lambda: Voltaje BAJO en su circuito
· 39 Sonda lambda: Voltaje ALTO en su circuito
· 41 Switch de detección de 1ª marcha engranada: Voltaje BAJO
· 42 Switch de detección de 1ª marcha engranada: Voltaje ALTO
· 48 Batería: Voltaje BAJO (< 10V)
· 49 Batería: Voltage ALTO (> 16V)
· 51 ECU defectuosa (fallo de memoria)
· 52 Lámpara del testigo motor (rayito): Voltaje ALTO
· 55 Hardware de la ECU defectuoso (RAM, ROM, EPROM)
· 56 Válvula de regulación de ralentí: Voltaje ALTO
· 57 Válvula de regulación de ralentí: Voltaje BAJO
· 61 Válvula de ventilación de gases del tanque de gasolina: Voltaje BAJO
· 62 Válvula de ventilación de gases del tanque de gasolina: Voltaje ALTO
· 69 Sensor de temperatura de aire en la admisión: Voltaje BAJO
· 71 Sensor de temperatura de aire en la admisión: Voltaje ALTO
· 73 Caudalímetro de aire admisión: Voltaje BAJO
· 74 Caudalímetro de aire admisión: Voltaje ALTO
· 75 Control de Torque: Voltaje BAJO
· 81 Inyector nº 1: Voltaje BAJO
· 82 Inyector nº 2: Voltaje BAJO
· 83 Inyector nº 3: Voltaje BAJO
· 84 Inyector nº 4: Voltaje BAJO
· 93 Sensor Hall del distribuidor de encendido: Voltaje BAJO
· 94 Sensor Hall del distribuidor de encendido: Voltaje ALTO
· 95 Válvula de arranque en caliente: Voltaje BAJO
· 96 Válvula de arranque en caliente: Voltaje ALTO
· 113 Control de presión de soplado fuera de parámetros, tolerancia standard demasiado elevada
· 114 Presión de soplado al ralentí demasiado alta
· 115 Presión de soplado a pleno gas demasiado baja
· 116 Presión de soplado por encima del límite superior
· 117 Válvula wastegate: Voltaje BAJO
· 118 Válvula wastegate: Voltaje ALTO
Última edición por TELVM el Jue, 10 Ene 2008, 02:36, editado 32 veces en total.
Imagen
Imagen
"The only true law is that which leads to freedom"
(Jonathan Livingston Seagull)
TELVM
Master Calibreitor!
Mensajes: 16918
Registrado: Mar, 23 Dic 2003, 01:03
Ubicación: Madrid
Contactar:

Mensaje por TELVM »

Imagen
Imagen
"The only true law is that which leads to freedom"
(Jonathan Livingston Seagull)
TELVM
Master Calibreitor!
Mensajes: 16918
Registrado: Mar, 23 Dic 2003, 01:03
Ubicación: Madrid
Contactar:

Mensaje por TELVM »

[Hueco]
Imagen
Imagen
"The only true law is that which leads to freedom"
(Jonathan Livingston Seagull)
TELVM
Master Calibreitor!
Mensajes: 16918
Registrado: Mar, 23 Dic 2003, 01:03
Ubicación: Madrid
Contactar:

Mensaje por TELVM »

[Hueco]
Imagen
Imagen
"The only true law is that which leads to freedom"
(Jonathan Livingston Seagull)
TELVM
Master Calibreitor!
Mensajes: 16918
Registrado: Mar, 23 Dic 2003, 01:03
Ubicación: Madrid
Contactar:

Mensaje por TELVM »

LINKS INDISPENSABLES


MAX BOOST :idea: :idea: :idea: :idea: :idea:

LA PÁGINA sobre el motor de la fiera. Lo que El Maestro John-A no cuente sobre el C20LET, es que no merece la pena saberse. En su sección 'Resources' podemos descargarnos el manual de taller del Calibra Turbo, entre otros muchos tesoros. El paraíso :vamp: .


Cav 16 :idea: :idea: :idea: :idea: :idea:

LA BIBLIA DEL 4x4. Explicación en profundidad del sistema 4x4 de la fiera. Cómo funciona, como se monta y desmonta, qué hacer y qué no hacer, y todos los porqués. Indispensable para seguir a 4 patas muchos años.


Calibra Turbo 4x4 :idea: :idea: :idea: :idea:

La página de Betuoyaint sobre la fiera. Mucho bacalao interesante: Cómo hacer el by-pass al 4x4 si hemos petado tránsfer; fotos del interior del TXB; etc. También contiene una explicación práctica del offset y sus efectos sobre el comportamiento del coche, que hace las delicias de los sagaces miembros de la plataforma 'me la pela el offset'.


JACKB77 :idea: :idea: :idea:

Página italiana sobre la transformación mecánica de una fiera. Muy interesante.


Cavalier Turbo Owners :idea: :idea: :idea:

Página dedicada al Vectra-A Turbo, al que los británicos denominan Vauxhall Cavalier. La mecánica es muy similar cuando no idéntica a la del Calibra Turbo. Aquí también puede descargarse el manual de taller.


C20LET Téchnique :idea: :idea: :idea:

Pequeña pero interesante página francesa con información y esquemas del motor.



Para mejorar y trucar la fiera:

EDS Motorsport

D.S. Opel Performance

Lenk Opel Tuning

Wallace Performance

Regal Autosport

Courtenay Sport



Alternativas al atraco PELO si hemos roto el 4x4:

Dorfbrunnen Garage

Cav 16

V-T-S
Última edición por TELVM el Mié, 26 Sep 2007, 14:45, editado 4 veces en total.
Imagen
Imagen
"The only true law is that which leads to freedom"
(Jonathan Livingston Seagull)
TELVM
Master Calibreitor!
Mensajes: 16918
Registrado: Mar, 23 Dic 2003, 01:03
Ubicación: Madrid
Contactar:

Mensaje por TELVM »

Actualizado: Motor - Control del turbo
Imagen
Imagen
"The only true law is that which leads to freedom"
(Jonathan Livingston Seagull)
farrucu
Master Calibreitor!
Mensajes: 5331
Registrado: Vie, 06 Feb 2004, 05:01

Mensaje por farrucu »

Me quito el sombrero ante el esfuerzo de poner a disposición del consumidor esta valiosa info. A los bípedos atmosféricos también también nos es útil para aprender.

Bravo! =D>
Juanjo
Calibrero de pro
Mensajes: 2023
Registrado: Mar, 23 Dic 2003, 10:46
Ubicación: BENIDORM

Mensaje por Juanjo »

El Catedratico en estado puro, si señor, muy bueno, no tiene precio toda la informacion que has recopilado :wink: =D>

Por cierto, hay varias fotos que me suenan bastante :lol:
C20NE del año 91, C20LET del 92 y C20NE automatico del 94
TELVM
Master Calibreitor!
Mensajes: 16918
Registrado: Mar, 23 Dic 2003, 01:03
Ubicación: Madrid
Contactar:

Mensaje por TELVM »

Esta indicado vuestro copyright Maese Petuta :D .
Imagen
Imagen
"The only true law is that which leads to freedom"
(Jonathan Livingston Seagull)
Juanjo
Calibrero de pro
Mensajes: 2023
Registrado: Mar, 23 Dic 2003, 10:46
Ubicación: BENIDORM

Mensaje por Juanjo »

TELVM escribió:Esta indicado vuestro copyright Maese Petuta :D .
No lo digo para pedir los derechos, si no como comentario, pero ya que lo dices... la del marcador, la primera, me parece que tambien es mia :D
C20NE del año 91, C20LET del 92 y C20NE automatico del 94
TELVM
Master Calibreitor!
Mensajes: 16918
Registrado: Mar, 23 Dic 2003, 01:03
Ubicación: Madrid
Contactar:

Mensaje por TELVM »

Esa no parece muy saludable identificarla :lol: , pero ea.
Imagen
Imagen
"The only true law is that which leads to freedom"
(Jonathan Livingston Seagull)
Juanjo
Calibrero de pro
Mensajes: 2023
Registrado: Mar, 23 Dic 2003, 10:46
Ubicación: BENIDORM

Mensaje por Juanjo »

TELVM escribió:Esa no parece muy saludable identificarla :lol: , pero ea.
¿Habra algun radar en el foro?, puede estar hecha en el circuito de Mont Melo, ¿no? :lol: :lol:

Alomejor lo de saludable lo dices por el coche, si es por eso, creo que estas maquinas necesitan de vez en cuando que le quiten la carbonilla, asi que creo que es hasta saludable :mrgreen:
C20NE del año 91, C20LET del 92 y C20NE automatico del 94
Avatar de Usuario
odeen16v
Moderador
Mensajes: 1293
Registrado: Lun, 21 Jun 2004, 14:24
Ubicación: Madrid

Mensaje por odeen16v »

:D
( C20XE '91 )
BIG BOYS TEAM LIKE EATING ESPAGHETTI :bate:
Miembro nº 5 (1'84 m y 100.5 Kg)
www.teamcalibra026.es
TELVM
Master Calibreitor!
Mensajes: 16918
Registrado: Mar, 23 Dic 2003, 01:03
Ubicación: Madrid
Contactar:

Mensaje por TELVM »

Up (EL MOTOR C20LET - CABLEADO; el 90% de conectores son aplicables a un C20XE)
Imagen
Imagen
"The only true law is that which leads to freedom"
(Jonathan Livingston Seagull)
TELVM
Master Calibreitor!
Mensajes: 16918
Registrado: Mar, 23 Dic 2003, 01:03
Ubicación: Madrid
Contactar:

Mensaje por TELVM »

Solicito chincheta para este bricox si vuecencia lo estima procedente Maese Tropic.
Imagen
Imagen
"The only true law is that which leads to freedom"
(Jonathan Livingston Seagull)
Avatar de Usuario
Tropic
Site Admin
Mensajes: 27526
Registrado: Sab, 20 Dic 2003, 00:17
Ubicación: Vitoria
Contactar:

Mensaje por Tropic »

Creariamos precedente a un posible aluvion de solicitudes de chinchetas para bricox, mal asunto :-k

Lo que si puedo hacer es movertelo a tuning motor, y comprobar que esta dentro de la guia de bricox en el hilo indice de general :-k
TC026: Find a place, meet your friends, stir, have fun...
[img]kdd2008finbh3.jpg[/img]
Porque nadie sabe, ni imagina, en que punto del mapa volveremos a reunirnos...
Avatar de Usuario
205rallye
Moderador
Mensajes: 16114
Registrado: Dom, 16 Ene 2005, 16:42
Ubicación: ZARAGOZA, la ciudad de la Virgen del Pilar!!!

Mensaje por 205rallye »

De todas formas, 'los misterios del calibra turbo' esta pasado a BRICO BRICO en condiciones por el que suscribe.

Si te pillo algun dia por el MSN, Javi, te lo mando y me das tu conformidad :lol: y que el site lo suba cuando quiera/pueda.....
SI VIS PACEM, PARA BELLUM
Responder